388vip太阳集团集团

光学器件/晶体

RTP,PPLN,扩束镜,场镜,聚焦镜,变焦镜、反射镜,衍射光学器件,多焦点透镜,莫尔镜,动态聚焦镜,能量衰减器,音圈扫描镜,光束整形器
场镜 远心透镜

场镜 远心透镜

时间:2021-10-11 类别:光学器件/晶体 关注:8319
平场聚焦镜,也称场镜、f-theta聚焦镜,是一种专业的透镜系统,目的是将激光束在整个打标平面内形成均匀大小的聚焦光斑,是激光打标机的最重要配件之一。
产品经理
热线:181-6269-8939
QQ: 1651816816
微信:XTGD518
即刻询价

激光扫描聚焦镜 (f-θ镜)、场镜

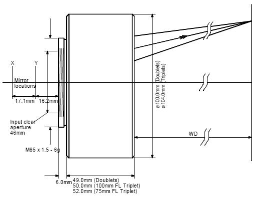
一般来说,打标系统中激光束穿过聚焦透镜系统后会产生离轴偏转现象, 相对理想的平面而言,会在打标面上出现异常图像或畸变。平场聚焦镜,也称场镜、f-theta聚焦镜,是一种专业的透镜系统,目的是将激光束在整个打标平面内形成均匀大小的聚焦光斑,是激光打标机的最重要配件之一。场镜可分为f-theta透镜和远心透镜。由于远心透镜的成本和费用很高,在工业应用的激光打标机中主要使用F-theta透镜。在没有变形的情况下,聚焦点的位置取决于透镜的焦距以及偏转角的切线,聚焦点的位置仅取决于焦距和偏转角,这样就简化了焦点定位的计算方法。

选用场镜,主要考虑的技术参数是工作波长、入射光瞳、扫描范围和聚焦光斑直径

  • 工作波长:主要是看激光器的波长,场镜是在给定的激光波长镀膜的。如果不在给定的波长范围内用场镜,场镜会被激光烧坏的。

  • 入射光瞳:如使用的是单片镜,反射镜置于入射光瞳的地方,最大可用光束的直径等于入射光瞳的直径。

  • 扫描范围:场镜能扫描到的范围越大,当然越受使用者的欢迎。但是如果增加扫描范围,聚焦光点变大,失真度也要加大。另外加大扫描范围,场镜焦距和工作距也要加大。工作距离的加长,必然导致激光能量的损耗。还有聚焦后的光斑直径跟焦距成正比,这意味着加大扫描范围,聚焦光斑直径跟着加大,光斑聚得不够细,激光的功率密度下降非常快(功率密度跟光斑直径的2次方成反比),不利于加工。所以使用者要根据不同的加工面积选用最适合的场镜,或者备用几个不同扫描范围的场镜。

  • 聚焦光斑直径:对于入射激光束直径D、场镜焦距F和光束质量因子Q的扫描系统,聚焦光斑直径d = 13.5QF/D (mm)。所以用扩束镜可以得到更小的聚焦光斑。

型号命名规则:STY-xxxx-yyy-zzz-dd-A

  • STY---STY系列激光场镜

  • xxxx--激光波长, 1064为1064nm, 10.6为10.6um.

  • yyy---扫描范围, yyy*yyy mm

  • zzz---焦距 mm

  • dd----最大入射光斑直径

  • A-----其它

场镜通常由三个镜片和一个保护玻璃所组成,在指定波长或光谱范围镀膜。在1064nm波长时的透过率 > 99% ,保护玻璃也会在两面镀膜。在下面的表格中,FL 表示有效焦距,EP是最大输入光斑直径,SAR是扫描面积,AS是截止口径aperture stop,WD是工作距,OD是场镜外径,MT是安装螺纹,fs是材料熔融石英,SA是最大扫描区域对角线,L2 (a1)是两个扫描镜片间距,L1是第二个扫描镜片和场镜的距离,SL是扫描长度,长度(L)是场镜的长度(高度),FSD是焦斑直径,WC是水冷。

多波长场镜

532nm+1064nm

型号 FL(mm) @532nm FL(mm) @1064nm EP(mm) SAR (mm*mm) AS (mm) WD(mm) @532nm WD(mm) @1064nm OD (mm) 长度 (mm) MT
STS-1163/081 163.2 163.2 12 102 x 102 29 159.7 159.7 106 82.5 M85x1
STS-8254/081 254 253.9 15 180 x 180 25 211.4 211.4 128 122 M85x1

355nm+1064nm

型号 FL(mm) @355nm FL(mm) @1064nm EP (mm) SAR (mm*mm) AS (mm) WD(mm) @355nm WD(mm) @1064nm OD (mm) 长度 (mm) MT
STS-7400 398.9 398.3 15 70 x 70 45 160.7 160.7 132 291.7 M85x1

808nm+980nm

型号 FL(mm) @808nm FL(mm) @980nm EP (mm) SAR (mm*mm) AS (mm) WD(mm) @808nm WD(mm) @980nm OD (mm) 长度 (mm) MT
STS-8163 163 163.1 20 102 x 102 22 151.2 151.1 106 90.5 M85x1

450nm+650nm

型号 FL(mm) @450nm FL(mm) @650nm EP (mm) SAR (mm*mm) AS (mm) WD(mm) @450nm WD(mm) @650nm OD (mm) 长度 (mm) MT
STS-0061/065 60.3 60.5 5 22 x 22 25.7 75.5 75.4 59 48.5 TK 52

405nm+650nm

型号 FL(mm) @405nm FL(mm) @650nm EP (mm) SAR (mm*mm) AS (mm) WD(mm) @405nm WD(mm) @650nm OD (mm) 长度 (mm) MT
STS-4345 40.2 40.2 4 15.5 x 15.5 16.9 38.4 38.4 38 40 ---
STS-4375 80.2 80.7 6 14 x 14 95.2 24.2 24.2 59 87.9 TK 52

405nm+532nm

型号 FL(mm) @405nm FL(mm) @532nm EP (mm) SAR (mm*mm) AS (mm) WD(mm) @405nm WD(mm) @532nm OD (mm) 长度 (mm) MT
STS-5110/322 98 101.8 10 66 x 66 30.3 125.6 129.6 128 86 M85x1

波长1850-1980nm场镜

STY系列1940nm 场镜 (熔融石英)

型号 FL mm WD mm EP mm SA θmax SAR mm FSD ?m OD mm MT
STY-1940-98-166 166 207.58 14 ±24? Φ139/98x98 40.68 120 M85×1
STY-1940-2000-175-260 260 323.65 14 ±25? Φ247.5/175x175 64.4 126 M85×1
STY-1940-190-280 280 346.1 14 ±27.5? Φ269/190x190 71 120 M85×1
STY-1940-318-465 465 554 14 ±27.5 ? Φ446/318x318 117.9 120 M85×1
STY-1940-380-554 554 655.77 14 ±27.5 ? Φ532/380x380 140.49 120 M85×1

STYT系列1940nm 远心场镜 (熔融石英)

型号 FL mm WD mm EP mm SA maxi SAR,mm (圆/方) FSD ?m OD mm Max IA (o) MT
STYT-1940-26-68 68 88.38 10 ±16? Φ37/26x26 24.1 90 1.25 M85x1
STYT-1940-56-100 100 135.66 14 ±22.5? Φ79/56x56 25.5 130 2.1 M85x1

STS系列1850-1980nm场镜 (熔融石英)

型号 波长 (nm) FL (mm) 材料 EP (mm) SAR (mm*mm) AS (mm) WD (mm) OD (mm) 长度 (mm) MT
STS-0260/159 1850 - 1980 260 石英 20 160 x 160 33.1 120.1 155 182.6 M85x1
STS-1330/159 1850 - 1980 344.8 石英 20 215 x 215 38.5 203 163 179.4 M85x1

STS系列1850-1980nm远心场镜(熔融石英)

型号 波长(nm) FL (mm) 材料 EP (mm) SAR (mm*mm) AS (mm) WD (mm) OD (mm) 长度 (mm) MT
STS-1901/159 1850 - 1980 103.6 石英 10 60 x 60 22.5 130.1 106 82 M85x1
STS-1957/159 1850 - 1980 57.1 石英 10 20 x 20 17.5 72.5 89 51.9 M85x1
STS-3162/159 1850 - 1980 170.2 石英 15 90 x 90 27.7 209.8 130 102 M85x1

波长1550nm场镜

STH系列1550nm场镜

型号 FL mm WD mm EP mm SA max SAR mm FSD ?m L2/L1 mm MT
STH-1550-28-63-8 63 77 8 ±18? 28x28 22 10/10 M39x1
STH-1550-45-100-8 100 106 8 ±18? 45x45 35 10/10 M39x1

STYT系列1550nm 远心场镜(熔融石英)

型号 FL mm WD mm EP mm SA SAR, mm (圆/方) FSD ?m OD mm Max IA (o) MT
STYT-1550-57.5-100 100 126 15 ±22? Φ77/57.5x57.5 18.9 120 2.3 M85x1

STS系列1550nm场镜(熔融石英)

型号 波长 (nm) FL (mm) 材料 EP (mm) SAR (mm*mm) AS (mm) WD (mm) OD (mm) 长度 (mm) MT
STS-0260/008 1550 264.1 石英 15 160 x 160 33.1 124 155 182.6 M85x1
STS-1330/008 1550 342.2 石英 20 215 x 215 38.5 202.6 163 177.4 M85x1
STS-2250/008 1550 264.7 石英 10 170 x 170 26.9 327.9 105 61 M85x1
STS-3100/008 1550 118.4 石英 6 82 x 82 17.1 160.1 89 49 M85x1

STS系列远心场镜

型号 波长 (nm) FL (mm) 材料 EP (mm) SAR (mm*mm) AS (mm) WD (mm) OD (mm) 长度 (mm) MT
STS-1901/008 1550 101.8 石英 10 60 x 60 22.5 127.7 106 82 M85x1
STS-1957/008 1550 56.1 石英 10 20 x 20 17.5 71.3 89 51.9 M85x1
STS-3162/008 1550 167 石英 15 90 x 90 27.7 205.8 130 102 M85x1
STS-7010/008 1544 100 玻璃 10 35 x 35 32 113.6 94 98.8 M85x1
STS-7010/008 1560 100 玻璃 10 35 x 35 32 113.6 94 98.8 M85x1

波长1064nm, 1030-1080nm和900–1100nm场镜

STY系列场镜(熔融石英)

型号 FL mm WD mm EP mm 扫描角 θmax 扫描面积 mm 焦斑 ?m OD mm 安装螺纹
STY-1030-1080-66-100 100 126.49 10 ±27.8? Φ93/66x66 20 90 M85×1
STY-1030-1080-66-100WC 100 126.48 10 ±27.8? Φ93/66x66 20 108 M55x1; M85×1
STY-1030-1080-77-120 120 158.18 14 ±25? Φ109/77×77 16.68 120 M85×1
STY-1030-1080-110-160 160 192.5 10 ±28.3 ? Φ156/110×110 31.15 90 M85×1
STY-1030-1080-100-160 160 209.01 12 ±25 ? Φ140/100×100 25.96 105 M85×1
STY-1030-1080-100-160-12 160 199.21 12 ±25 ? Φ140/100×100 22.25 120 M85×1
STY-1030-1080-100-160-14 160 203.3 14 ±25 ? Φ140/100×100 22.25 120 M85×1
STY-1030-1080-78-160 160 183.61 15 ±20? Φ110/78×78 20.8 120 M85×1
STY-1030-1080-71-160 160 203.53 20 ±18? Φ100/71×71 15.57 120 M85x1
STY-1030-1080-117-170 170 199.75 10 ±28 ? Φ166/117×117 33.1 90 M85×1
STY-1030-1080-70-170 170 213.64 30 ±25 ? Φ98/70×70 11.03 146 M102x1; M112×1
STY-1030-1080-70-170WC 170 215.0 30 ±25 ? Φ98/70×70 11.03 166 M102x1; M112×1
STY-1030-1080-122-200 200 246.43 20 ±24? Φ173/122×122 20 132 M85×1
STY-1030-1080-120-206 206 258 20 ±23? Φ170/120×120 20 120 M85×1
STY-1030-1080-100-210 210 269.23 30 ±25? Φ140/100×100 18 143 M112×1
STY-1030-1080-175-254-12-90 255 304 12 ±28? Φ247/175×175 41.2 90 M85×1
STY-1030-1080-175-254-12-105 254 296.96 12 ±28? Φ247/175×175 41.2 105 M85×1
STY-1030-1080-167-254 254 292.21 14 ±25? Φ247/167×167 36.3 120 M85×1
STY-1030-1080-175-254-14 254 308.39 14 ±28? Φ247/175×175 35.25 120 M85×1
STY-1030-1080-175-254WC 254 289.01 14 ±28? Φ248/175×175 35.25 126 M85×1
STY-1030-1080-128-254 254 305.09 30 ±21? Φ181/128×128 16.48 157 M102×1; M112x1
STY-1030-1080-128-254WC 254 304.09 30 ±21? Φ181/128×128 16.48 166 M102×1; M112x1
STY-1030-1080-120-254WC 254 319.38 30 ±21? Φ181/120×120 16 190 M102×1; M112x1
STY-1030-1080-153-255 255 318.34 20 ±25? Φ216/153×153 30 132 M85×1
STY-1030-1080-203-295 295 336.72 10 ±28? Φ287/203×203 57.44 90 M85×1
STY-1030-1080-208-300-15 300 371.14 15 ±25? Φ262/185×185 38.9 120 M85×1
STY-1030-1080-185-300-20 300 371.14 20 ±25? Φ262/185×185 29.2 140 M85×1
STY-1030-1080-203-330 330 396.25 20 ±25? Φ287/203×203 32.12 120 M85×1
STY-1030-1080-175-330 330 392.64 30 ±22? Φ253/175x175 21.41 146 M102×1; M112x1
STY-1030-1080-175-330WC 330 388.14 30 ±22? Φ253/175x175 21.41 166 M102×1; M112x1
STY-1030-1080-175-330DWC 330 406.77 30 ±22? Φ263/175×175 21 180 M102×1; M112x1
STY-1030-1080-210-350 350 429.55 20 ±24? Φ298/210×210 34.55 128 M85×1
STY-1030-1080-300-420 420 510.81 20 ±24? Φ424/300x300 41 120 M112×1
STY-1030-1080-251-420 420 511.63 30 ±24? Φ355/251×251 27.25 140 M112×1
STY-1030-1080-251-420WC 420 421.94 30 ±24? Φ355/251×251 27.63 166 M102×1; M112x1
STY-1030-1080-270-460WC 460 558.13 30 ±24? Φ382/270×270 29.9 186 M102×1; M112x1
STY-1030-1080-440-750WC 750 888.53 30 ±24? Φ622/440x440 48.7 165 M102×1
STY-1030-1080-550-870 870 984.46 20 ±24? Φ778/550x550 84.7 120 M85×1

STY系列1064nm场镜(光学玻璃)

型号 FL mm WD mm EP mm 扫描角 θmax 扫描面积 mm 焦斑 ?m OD mm 安装螺纹
STY-1064-35-63 63 61.8 12 ±22? Φ50/35x35 10 90 M85×1
STY-1064-50-80-10 80 83.27 10 ±22? Φ70/50x50 15 90 M85×1
STY-1064-50-80-20 80 77.86 20 ±25? Φ70/50x50 7.7 105 M85×1
STY-1064-70-100M 100 113.85 8 ±28 ? Φ100/70x70 24.33 60 M55×1
STY-1064-70-100LNS 100 118.49 12 ±28 ? Φ100/70x70 16.2 90 M85×1
STY-1064-70-100R 100 105.75 12 ±28 ? Φ100/70x70 16 90 M85×1
STY-1064-70-100-20 100 104.85 20 ±22 ? Φ100/70x70 9.76 105 M85×1
STY-1064-62-100-20D 100 103.37 20 ±25? Φ87/62x62 9.8 105 M85×1
STY-1064-74-120 120 127.6 30 ±25? Φ105/80x74 15 140 M85x1
STY-1064-85-130 130 141.96 12 ±25 ? Φ120/85x85 21.1 90 M85×1
STY-1064-70-160M-8 160 178.66 8 ±18 ? Φ100.3/70x70 38.85 47 M39x1
STY-1064-110-160LNS-12 160 181.29 12 ±28 ? Φ155/110x110 25.9 90 M85×1
STY-1064-110-160R-12 160 177.04 12 ±28 ? Φ156.35/110x110 25.95 90 M85×1
STY-1064-101-160H-20 160 180.72 20 ±25? Φ142/101x101 15.86 120 M85×1
STY-1064-113-163B-12 163 186.45 12 ±28? Φ16.5/113x113 26.6 90 M85x1
STY-1064-120-163R-10 164 181.86 10-12 ±31.7 ? Φ169/120x120 31.7 90 M85×1
STY-1064-113-163C-20 163 182.15 20 ±28 ? Φ160/113x113 15.9 115 M85×1
STY-1064-99.5-168 168 181.12 36 ±25 ? Φ148/99.5x99.5 9.1 163 M112×1
STY-1064-110-170 170 198.31 30 ±25? Φ150/110x110 11.03 140 M112×1;M102x1;M95x1
STY-1064-120-173 173 197.51 12 ±28? Φ170/120x120 28 90 M85x1
STY-1064-130-188 188 21 12 ±28 ? Φ185/130X130 30 90 M85×1
STY-1064-150-210A 210 231.88 12 ±28 ? Φ212/150x150 34 90 M85×1
STY-1064-145-210B 210 325.8 12 ±28 ? Φ205/145x145 25 90 M85x1
STY-1064-140-210-30 210 240.42 30 ±25 ? Φ185/140x140 13.63 140 M112×1;M102x1;M95x1
STY-1064-153-220-15 220 259.78 15 ±28 ? Φ216/153x153 29 90 M55x1; M85×1
STY-1064-150-220-20 220 241.55 20 ±28? Φ212/150x150 21.4 120 M85×1
STY-1064-180-254M-8 254 299.42 8 ±28? Φ254/180x180 61 52 M39x1
STY-1064-175-254B-14 254 277.7 14 ±28 ? Φ245/175x175 42 90 M85×1
STY-1064-175-254LNS-16 254 281.14 8.5-16 ±28 ? Φ245/175x175 30 105 M85×1
STY-1064-175-254C-20 254 272.4 20 ±25 ? Φ245/175x175 24.8 120 M85×1
STY-1064-175-254-30 254 284.58 30 ±25? Φ222/175x175 16.35 140 M102x1
STY-1064-190-255 255 292.94 15 ±30.2? Φ268/190x190 33.1 99.5 M85x1
STY-1064-180-260 260 287.54 12 ±28 ? Φ255/180x180 30 90 M85×1
STY-1064-210-290 290 348.52 12 ±28 ? Φ283/210x210 47 90 M85x1
STY-1064-208-300 300 360.86 10-14 ±28 ? Φ295/208x208 35 90 M85×1
STY-1064-230-330-12 330 383.93 12 ±28 ? Φ325/230x230 53 90 M85×1
STY-1064-230-330-16 330 387.61 16 ±28 ? Φ325/230x230 40 120 M85×1
STY-1064-230-330-30 330 376.42 30 ±28 ? Φ325/230x230 21.2 140 M112x1; M102x1; M95x1
STY-1064-244-350 350 417.81 20 ±28 ? Φ345/244x244 34 120 M85x1
STY-1064-296-420-10 420 481.32 10 ±28 ? Φ419/296x296 82 90 M85×1
STY-1064-290-420B-20 420 486.08 20 ±28 ? Φ410/290x290 40.8 120 M85x1
STY-1064-290-420-30 420 491.03 30 ±28 ? Φ410/290x290 27.3 140 M112×1; M132x1
STY-1064-300-430B 430 497.77 20 ±28 ? Φ425/300x300 41.9 120 M85×1
STY-1064-400-515 515 570.35 20 ±31.5 ? Φ565/400x400 50.1 120 M85×1
STY-1064-402-525 525 604.73 20 ±31.5 ? Φ568/402x402 51.1 125 M85x1
STY-1064-400-580 580 670.19 24 ±28 ? Φ566/400x400 47 125 M85x1
STY-1064-565-815 815 899.83 24 ±28 ? Φ800/565X565 66 125 M85×1

STH系列1064nm场镜

1064nm场镜

型号 FL mm WD mm EP mm SA max SAR mm FSD ?m L2/L1 mm MT
STH-1064-28-63-8 63 77 8 ±18? 28x28 15 10/10 M39x1/M55x1
STH-1064-50-63-12 63 78 12 ±28? 50x50 12 16/16 M85x1/M79x1
STH-1064-50-80-8 80 92 8 ±25? 50x50 20 10/10 M39x1/M55x1
STH-1064-63-100-8 100 114 8 ±25? 63x63 24 10/10 M39x1/M55x1
STH-1064-70-100-12 100 114.6 12 ±28? 70x70 16 16/16 M85x1/M79x1
STH-1064-70-100-20 100 125 20 ±28? 70x70 617 18/24 M85x1/M79x1
STH-1064-90-130-12 130 143 12 ±28? 90x90 21 16/16 M85x1/M79x1
STH-1064-105-160-8 160 185 8 ±25? 105x105 39 10/10 M39x1/M55x1
STH-1064-110-160-12 160 176 12 ±28? 110x110 26 16/16 M85x1/M79x1
STH-1064-110-163-20 163 185 20 ±28? 110x110 17 18/24 M85x1/M79x1
STH-1064-100-170-30 170 195 30 ±25? 100x100 11 26/30 M85x1/M95x1 M102x1/M112x1
STH-1064-140-210-12 210 230 12 ±28? 140x140 34 16/16 M85x1/M79x1
STH-1064-140-210-30 210 263 30 ±25? 140x140 15 26/30 M85x1/M95x1 M102x1/M112x1
STH-1064-150-210-20 210 255 20 ±28? 150x150 24 18/24 M85x1/M79x1
STH-1064-150-225-12 225 250 12 ±28? 150x150 34 16/16 M85x1/M79x1
STH-1064-170-254-8 254 283 8 ±25? 170x170 62 10/10 M39x1/M55x1
STH-1064-175-254-16 254 284 16 ±28? 175x175 31 16/16 M85x1/M79x1
STH-1064-175-254-20 254 285 20 ±28? 175x175 31 18/24 M85x1/M79x1
STH-1064-175-254-30 254 312 30 ±25? 175x175 17 26/30 M85x1/M95x1 M102x1/M112x1
STH-1064-200-290-16 290 324 16 ±28? 200x200 31 16/16 M85x1/M79x1
STH-1064-220-330-16 330 346 16 ±28? 220x220 40 16/16 M85x1/M79x1
STH-1064-220-330-8 330 360 8 ±25? 220x220 81 10/10 M39x1/M55x1
STH-1064-220-330-20 330 377 20 ±28? 220x220 40 18/24 M85x1/M79x1
STH-1064-220-330-30 330 365 30 ±25? 220x220 25 26/30 M85x1/M95x1 M102x1/M112x1
STH-1064-250-380-16 380 414 16 ±28? 250x250 46 16/16 M85x1/M79x1
STH-1064-300-420-16 420 467 16 ±28? 300x300 50 16/16 M85x1/M79x1
STH-1064-300-420-20 420 467 20 ±28? 300x300 55 18/24 M85x1/M79x1
STH-1064-360-500-20 500 535 20 ±28? 360x360 66 18/24 M85x1/M79x1
STH-1064-400-650-20 650 697 20 ±28? 400x400 85 18/24 M85x1/M79x1
STH-1064-500-800-20 800 860 20 ±28? 500x500 104 18/24 M85x1/M79x1
STH-1064-600-900-20 900 973 20 ±28? 600x600 117 18/24 M85x1/M79x1

STS系列场镜(熔融石英和光学玻璃)

型号 波长 (nm) FL (mm) 材料 EP (mm) SAR (mm*mm) AS (mm) WD (mm) OD (mm) 长度 (mm) MT
STS-0063/126 1064 63 玻璃 8 36 x 36 15 74.5 59.2 35.8 M39x1; M55x1
STS-0099/126 1064 105.1 玻璃 12 60 x 60 27.2 125.3 90 50.2 M85x1
STS-0101/126 1064 99.7 玻璃 10 55 x 55 16.5 110.8 90 40 M85x1
STS-0116/126 1064 99.7 玻璃 7 65 x 65 14.3 111.5 47 28.5 M39x1
STS-0162/126 1064 160.1 玻璃 8 100 x 100 15 180.1 59.2 25.2 M39x1; M55x1
STS-0163/126 1064 162.4 玻璃 12 107 x 107 22 181.2 89 43.1 M85x1
STS-0169/126 1064 160.1 玻璃 8 100 x 100 15 178.9 47 25 M39x1
STS-0192/126 1064 191.4 玻璃 20 125 x 125 40 220.5 128 57.9 M85x1
STS-0202/126 1064 201.6 玻璃 30 90 x 90 43 242.2 132 85 M85x1
STS-0253/126 1064 254.4 玻璃 14 160 x 160 27 284.9 89 43.1 M85x1
STS-0271/126 1064 250 玻璃 8.5 155 x 155 13 273.3 47 25 M39x1
STS-0299/126 1064 300.8 玻璃 20 142 x 142 35 346.4 128 72.2 M85x1
STS-0300/126 1064 298 玻璃 20 175 x 175 35 350.8 128 78 M85x1
STS-0316/126 1064 299.9 玻璃 8.5 180 x 180 14.7 327.7 47 23 M39x1
STS-0335/126 1064 335.1 玻璃 8.5 210 x 210 15.2 366.3 47 23 M39x1
STS-0350/126 1064 346.3 玻璃 12 212 x 212 22.5 412.2 95 52.3 M85x1
STS-0352/126 1064 354.5 玻璃 30 160 x 160 53.5 396.9 128 48.5 M85x1
STS-0411/126 1064 409.6 玻璃 20 210 x 210 44 472.5 105 56.8 M85x1
STS-0420/126 1064 420 玻璃 30 242 x 242 59.5 480 136 52 M132x1
STS-0508/126 1064 569.7 玻璃 20 325 x 325 45 651.4 127 56.9 M85x1
STS-0580/328 1030-1090 638.6 石英 10 350 x 350 39 734.7 89 38 M85x1
STS-0635/126 1064 657.3 玻璃 25 370 x 370 75 732.8 133 48.5 M110x1
STS-0655/328 1030-1090 649.7 石英 20 410 x 410 34.1 561.8 134 114.8 M85x1
STS-0710/328 1030-1090 101.4 石英 5 60 x 60 15 120.7 59.2 31 M39x1
STS-0725/328 1030-1090 254.2 石英 8 140 x 140 15.5 282.8 59.2 33.3 M39x1
STS-0763/328 1030-1090 163 石英 7 100 x 100 15.8 194.1 59.2 33.3 M39x1
STS-0800/328 1030-1090 874.2 石英 20 425 x 425 35 975.2 96 42.5 M85x1
STS-0825/126 1064 819.7 玻璃 24 560 x 560 43.3 893.8 130 58 M102x1
STS-0910/328 1030-1090 910 石英 30 500 x 500 47 1048.8 154 80.8 M110x1
STS-1163/081 1064 163.2 玻璃 12 102 x 102 29 159.7 106 82.5 M85x1
STS-1254/126 1064 254.7 玻璃 12 160 x 160 23.5 306.5 109 55.3 M85x1
STS-1330/328 1030-1090 340 石英 20 215 x 215 38.5 203.4 163 174.6 M85x1
STS-1420/328 1030-1090 420 石英 14 280 x 280 28.3 499.2 122 67.7 M85x1
STS-1500/328 1030-1090 500 石英 20 340 x 340 30.5 569.8 148 68 M85x1
STS-1655/328 1030-1090 649.4 石英 20 410 x 410 32.1 581.6 134 105.5 M85x1
STS-2163/126 1064 163 玻璃 20 106 x 106 29 192.3 128 66 M85x1
STS-2175/328 1030-1090 163.3 石英 20 94 x 94 30.5 205.4 159 110.2 M85x1
STS-2340/328 1030-1090 339.9 石英 20 61 x 61 30.5 441.7 89 91.7 M85x1
STS-2430/328 1030-1090 420.1 石英 30 180 x 180 52.8 293 139 186.6 M85x1
STS-2500/328 1030-1090 500 石英 30 280 x 280 48.5 620.2 198 127 M120x1
STS-3163/126 1064 163 玻璃 15 120 x 120 22.9 186.7 103 52 M85x1
STS-3250/328 1030- 090 255 石英 15 160 x 160 32.5 321.3 159 91.3 M85x1
STS-3254/126 1064 253.8 玻璃 30 115 x 115 48.9 297 130 75.5 M85x1
STS-3260/328 1030-1090 277.1 石英 15 142 x 142 31 346.2 105 61 M85x1
STS-3480/126 1064 479.8 玻璃 30 320 x 320 63.7 443.7 260 183.2 M150x1
STS-4255/126 1064 254 玻璃 20 168 x 168 38 292.8 130 70.1 M85x1
STS-7163 1064 163 玻璃 10 95 x 95 27 197.2 89 44 M85x1
STS-8254/081 1064 253.9 玻璃 15 180 x 180 25 211.4 128 122 M85x1

STJ系列场镜

型号 波长 (nm) FL (mm) SAR (mm) SA (°) EP (mm) FSD (?m) a1 (mm) a2 (mm) 远心度 (|扫描(°) WD (mm) MT
STJ-02426 1030 - 1080 100 Φ93/66x66 54 10 19 13 43 8.7 | 9.1 87 M85x1
STJ-00326 1030 - 1080 125 Φ80 37 15 16 18 38 4.9 | 5.1 155 M85x1
1030 - 1080 125 Φ93 43 15 16 18 28 7.2 | 7.4 155 M85x1
STJ-601926 1030 - 1080 125 Φ80 37 15 16 18 38 4.9 | 5.1 155 M85x1
1030 - 1080 125 Φ93 43 15 16 18 28 7.2 | 7.4 155 M85x1
STJ-01926 1030 - 1080 160 Φ170/120x120 60 10 31 13 43 17.1 | 17.2 178 M85x1
STJ-601914 1030 - 1080 160 Φ170 60 10 31 13 43 17.1 | 17.2 178 M85x1
STJ-01826 1030 - 1080 170 Φ170/120x120 57 14 24 17 41 11.6 | 11.7 194 M85x1
STJ-01726 1030 - 1080 255 Φ239/169x169 53 20 24 25 39 14.3 | 15.0 291 M85x1
STJ-601948 1030 - 1080 255 239 53 20 24 25 39 14.3 | 15.0 291 M85x1
STJ-02226 1030 - 1080 347 Φ354/250x250 58 16 46 17 41 18.7 | 18.7 404 M85x1
STJ-00926 1030 - 1080 350 Φ452/320x320 71 15 45 23 25 23.7 | 24.0 395 M85x1
STJ-02126 1030 - 1080 420 Φ420/297x297 57 15 55 17 41 18.7 | 18.8 501 M85x1

STJ系列高功率场镜

型号 波长 (nm) FL (mm) SAR (mm) SA (°) EP (mm) FSD (?m) a1 (mm) a2 (mm) 远心度 (| 扫描 (°) WD (mm) MT
STJ-02526 1030-1080 160 110 40 14 22 17 40 5.2 | 5.4 184 M85x1
STJ-026-26 1030-1080 255 160 36 20 25 25 48 7.2 | 7.4 303 M85x1
STJ-609120 1030-1080 423 360 48 14 59 17 40 16.4 | 16.4 500 M85x1
STJ-601787 1030-1080 160 110 40 14 19 17 40 5.2 | 5.4 182 M85x1
STJ-601804 1030-1080 255 161 36 20 21 25 48 7.2 | 7.4 302 M85x1
STJ-628951 1030-1080 423 360/255x255 48 14 50 17 40 16.4 | 16.4 500 M85x1

STS系列远心场镜(熔融石英和光学玻璃)

型号 波长 (nm) FL (mm) 材料 EP (mm) SAR (mm*mm) AS (mm) WD (mm) OD (mm) 长度 (mm) MT
STS-0055/126 1064 59.7 玻璃 14 19 x 19 20.1 66.6 89 58 M85x1
STS-0058/126 1064 56.5 玻璃 10 16 x 16 26.4 58.4 90 40.7 M85x1
STS-0080/126 1064 79.9 玻璃 25 39 x 39 27.2 79.4 107 84.1 M85x1
STS-0082/328 1030-1090 82 石英 15 20 x 20 33 84.5 93.8 103.1 M85x1
STS-0141/126 1064 183.1 玻璃 15 50 x 50 108.7 216.4 108 70.6 M85x1
STS-0221/126 1064 207.3 玻璃 14 139 x 139 46 273.4 281 178.7 TK267
STS-3046/328 1030-1090 50 石英 15 7 x 7 26 60.5 90 69.9 M85x1
STS-3050/328 1030-1090 60.5 石英 6 20 x 20 22.3 81.9 87 39.8 M85x1
STS-3162/328 1030-1090 163.5 石英 15 90 x 90 27.7 201.5 130 102 M85x1
STS-3301/328 1030-1090 317.6 石英 15 137 x 137 30 506.2 218 248.3 M85x1
STS-4010/328 1030-1090 100.3 石英 10 35 x 35 32 129.8 106 78.7 M85x1
STS-4031/328 1030-1090 32.8 石英 10 6 x 6 16.5 28.7 90 39.9 M85x1
STS-4065/328 1030-1090 65.1 石英 15 15 x 15 24 83.1 94 76.5 M85x1
STS-4127/328 1030-1090 125.4 石英 15 50 x 50 33.5 157.6 106 108.2 M85x1
STS-5100/126 1064 107.7 玻璃 12 69 x 69 34.9 137.8 128 85.5 M85x1
STS-5165/126 1064 163.6 玻璃 10 75 x 75 58.3 193.9 136 128 M85x1
STS-5365/126 1064 162.9 玻璃 20 73 x 73 61.5 197.8 154 115 M85x1
STS-6125/126 1064 99.2 玻璃 25 40 x 40 37.4 115 116 80.4 M85x1

STYT系列1064nm远心场镜(熔融石英)

型号 FL mm WD mm EP mm SA max SAR, mm (圆/方) FSD ?m OD mm Max IA (o) MT
STYT-1030-1080-6-32 32 31.79 10 ±7.6? Φ8.5/6x6 6.2 90 1.4 M85x1
STYT-1030-1080-26-65 65 80.99 10 ±16? Φ36/26x26 12.65 90 0.58 M85x1
STYT-1030-1080-20-88 88 120.51 20 ±9.5? Φ28.28/20x20 8.78 120 1.3 M85x1
STYT-1030-1080-38-90 91 101.32 20 ±17? Φ54/38x38 35 120 1,9 M85x1
STYT-1030-1080-54-100 100 142.73 14 ±20.7? Φ76/54x54 13.5 120 0.59 M85x1
STYT-1030-1080-54-100WC 100 142.73 14 ±20.7? Φ76/54x54 13.5 135 0.59 M85x1
STYT-1030-1080-51-100 100 130.44 14 ±20? Φ72/51x51 13.9 120 0.5 M85x1
STYT-1030-1080-70-120 120 168.69 10 ±24? Φ98/70x70 23.5 120 3.0 M85x1
STYT-1030-1080-55-125 125 153.27 14 ±16.5? Φ77.7/55x55 17.39 112 2.0 M85x1
STYT-1030-1080-50-125 125 153.27 20 ±18? Φ70.7/50x50 12.17 112 1.8 M85x1
STYT-1030-1080-85-167 167 215.5 14 ±20.3? Φ120/85x85 17 140 3.69 M85x1
STYT-1030-1080-100-200 200 296.95 14 ±20? Φ141/100x100 27.82 173 2 M85x1
STYT-1030-1080-110-254 254 376.53 14 ±18? Φ155.5/110x110 35.3 126 5 M85x1

STYT系列1064nm远心场镜(光学玻璃)

型号 FL mm WD mm EP mm 扫描角 maxi 扫描面积 mm (圆/方) 焦斑 ?m OD mm Max IA(o) MT
STYT-1064-55-100 100 122.8 15 ±22? Φ77/55x55 13 120 2.1 M85x1
STYT-1064-66-125 125 139.58 20 ±21.5? Φ109/66x66 12 120 3 M85x1
STYT-1064-90-167 167 216.23 20 ±21? Φ125/90x90 16.5 140 4.4 M85x1
STYT-1064-88-170 170 209.61 30 ±21? Φ120/88x88 11.1 140 4.4 M85x1
STYT-1064-50-183 183 219.63 20 ±11.5? Φ70.7/50x50 17.82 113 0.8 M102x1;M112x1
STYT-1064-115-210 210 279.63 20 ±22? Φ161/115x115 13.69 188 3.3 M95x1
STYT-1064-108-210 210 279.63 30 ±21? Φ154/108x108 13.69 188 3.3 M102x1
STYT-1064-104-211 211 279.63 10 ±20? Φ147/104x104 41.1 150 4.4 M85x1
STYT-1064-190-315 315 432.07 14 ±24.5? Φ269/190x190 43.8 270 2.3 M85x1

波长780-980nm场镜

STY系列780-980nm场镜(光学玻璃)

型号 FL mm WD mm EP mm SA SAR mm FSD ?m OD mm MT
STY-980-70-100 100 111.62 12 ±28? Φ100/70x70 16.33 90 M85x1
STY-780-980-70-100R 100 104 12 ±28? Φ100/70x70 15 90 M85x1
STY-980-110-160 160 182.29 12 ±28? Φ158/110x110 25.9 90 M85x1
STY-980-100-160 160 181.04 20 ±28? Φ141/100x100 14.62 120 M85x1
STY-980-113-163 163 185 12 ±28? Φ160/113x113 24.43 90 M85x1
STY-980-100-163 163 179.61 20 ±28? Φ160/100x100 15.77 115 M85x1
STY-980-100-165 165 181.04 20 ±28? Φ141/100x100 14.62 120 M85x1
STY-915-940-100-170 170 191.97 30 ±25? Φ140/100x100 10.11 140 M85x1
STY-980-100-170 170 191.97 30 ±25? Φ144/100x100 10.11 140 M85x1
STY-915-940-175-254 254 271.07 14-20 ±28? Φ247/175x175 32.5 120 M85x1
STY-915-940-156-254 254 286.08 30 ±25? Φ220/156x156 15 140 M85x1
STY-980-156-254 254 286.08 30 ±25? Φ220/156x156 15 140 M85x1
STY-980-261-420 420 502.23 30 ±25.2? Φ369/261x261 25.11 140 M85x1
STY-915-400-510 510 565.93 18 ±31.5? Φ565/400x400 47.5 120 M85x1

STH系列980nm场镜

型号 FL mm WD mm EP mm SA max SAR mm FSD ?m L2/L1 mm MT
STH-980-70-100-12 100 114.6 12 ±28? 70x70 16 16/16 M85x1
STH-980-110-160-12 160 176 12 ±28? 110x110 26 16/16 M85x1

STYT系列980nm远心场镜(光学玻璃)

型号 FL mm WD mm EP mm 扫描角 SAR, mm (圆/方) 焦斑 ?m OD mm Max IA (o) MT
STYT-532-115-210M95 210 279.63 30 ±22? Φ161/115x115 20 198 3.3 M55x1
STYT-532-115-210M112 210 256.48 30 ±22.5? Φ161/115x115 20 198 2.42 M112x1

STY系列915nm场镜(熔融石英)

型号 FL mm WD mm EP mm 扫描角 SAR mm FSD ?m OD mm MT
STY-915-100-160 160 203.05 20 ±26? Φ143/100x100 13.4 130 M85x1
STY-915-100-170 254 314.17 20 ±25? Φ219/155x155 21.3 130 M85x1
STY-510-550-156-225 330 392.53 20 ±28? Φ325/230x230 27.6 130 M85x1

STH系列915nm场镜

型号 FL mm WD mm EP mm SA max SAR mm FSD ?m L2/L1 mm MT
STH-915-110-160-12 160 176 12 ±28? 110x110 26 16/16 M85x1

波长532nm, 515-540nm场镜

STY系列515-540nm场镜(熔融石英)

型号 F.L. mm WD mm EP mm 扫描角 扫描面积 mm FSD ?m OD mm MT
STY-515-540-98-160 160 57.33 10 ±23.7? Φ138/98×98 15.83 120 M85x1
STY-510-550-100-170 170 221.09 10 ±25? Φ148/100×100 17.5 90 M85x1
STY-510-550-156-225 225 247.51 18 ±28? Φ220/156×156 12.17 120 M85x1
STY-510-550-170-255 255 367.81 14 ±27.5? Φ240/170×170 17 120 M85x1
STY-510-550-212-350 350 283.37 14 ±23.7? Φ300/212×212 24.5 122 M85x1
STY-510-550-315-450 450 526.39 14 ±28? Φ445/315×315 31.29 120 M85x1
STY-510-550-550-840 840 960.17 20 ±28? Φ778/550x550 40.9 120 M85x1
STY-510-550-800-1150 1150 1249.47 18 ±28? Φ1131/800x800 40.9 120 M85x1

STY系列532nm场镜(光学玻璃)

型号 FL mm WD mm EP mm SA SAR mm FSD ?m OD mm MT
STY-532-50-63 63 58 8 ±22 ? Φ70/50x50 12 90 M85x1
STY-532-58-100-10 100 110.37 10 ±25 ? Φ82/58x58 9.7 90 M85x1
STY-532-58-100-12 100 112.77 12 ±25 ? Φ82/58x58 8 90 M85x1
STY-532-74-120 120 132 12 ±25 ? Φ105/74x74 10 90 M85x1
STY-532-110-160 160 183.18 12 ±28 ? Φ155/110x110 12.8 90 M85x1
STY-532-98-160-58 160 186.88 12 ±28? Φ155/110x110 13 90 M85x1
STY-532-115-165 165 189.89 20 ±28? Φ1162/115x115 8 120 M85x1
STY-532-145-237 237 252.31 20 ±25? Φ207/145x145 11.53 120 M85x1
STY-532-165-254 254 261.51 14 ±28? Φ235/165x165 16 105 M85x1
STY-532-165-255 255 294.0 20 ±26? Φ233/165x165 12.5 120 M85x1
STY-532-200-280 280 283.46 12 ±28? Φ273/200x200 22 90 M85x1
STY-532-190-290 290 335.98 20 ±26.5? Φ268/190x190 14.1 120 M85x1
STY-532-203-330B 330 397.46 14 ±25? Φ287/203x203 22.9 105 M85x1
STY-532-203-330C 330 388.27 14 ±25? Φ287/203x203 22.9 120 M85x1
STY-532-283-410 410 474 15 ±28? Φ400/283x283 26.6 120 M85x1
STY-532-317-480 480 565 20 ±28? Φ448/317x317 31.15 120 M85x1
STY-532-370-535B 535 623.67 20 ±28? Φ532/370x370 26.04 125 M85x1
STY-532-400-600 600 656.71 20 ±27? Φ565/400x400 29.2 140 M85x1

STH系列532nm场镜

型号 FL mm WD mm EP mm SA max SAR mm FSD ?m L2/L1 mm MT
STH-532-70-100-12 100 114.5 12 ±28? 70x70 10 16/16 M85x1/M79x1
STH-532-110-160-12 160 186 12 ±28? 110x110 16 16/16 M85x1/M79x1
STH-532-140-210-12 210 234 12 ±28? 140x140 21 16/16 M85x1/M79x1
STH-532-175-254-12 254 262 12 ±28? 175x175 25 16/16 M85x1/M79x1
STH-532-230-330-12 330 359 12 ±28? 230x230 33 16/16 M85x1/M79x1
STH-532-350-500-12 500 540 12 ±28? 350x350 50 16/16 M85x1/M79x1

STY-WT系列532nm场镜

产品型号 FL (mm) SA (±°) SL (mm) SAR (mm) EP (mm) FSD (um) 长度 (mm) WD (mm) MT
STY-532-70-100-WT 100 25° 87.0 70x70 14.0 12.0 50.0 100.0 M85x1
STY-532-90-120-WT 120 25° 102.0 90x90 8.0 10.8 38.85 134.0 M85x1
STY-532-100-162-WT 162 23° 132.9 100x100 7.0 - 25.2 183.4 M39/M55
STY-532-115-165-WT 165 20° 163.0 115x115 10.0 18.5 48.0 186.0 M85x1
STY-532-148-233-WT 234 26° 211.0 148x148 10.0 - 55.3 282.0 M85x1
STY-532-150-254-WT 254 25° 220.0 150x150 10.0 21.5 51.0 280.0 M85x1
STY-532-225-410-WT 410 25° 366.0 225x225 15.0 15.0 48.94 443.7 M85x1
STY-532-350-508-WT 508 25° 500.0 350x350 16.0 15.0 57.0 581.0 M85x1
STY-532-510-740-WT 740 20° 721.0 510x510 16.0 18.5 65.0 896.5 M85x1
STY-532-550-768-WT 768 28° 710.0 550x550 16.0 24.0 58.0 839.0 M102x1

STS系列532nm场镜(熔融石英和光学玻璃)

型号 波长 (nm) FL (mm) 材料 EP (mm) SAR (mm*mm) AS (mm) WD (mm) OD (mm) 长度 (mm) MT
STS-0063/121 532 62.9 玻璃 7 30 x 30 15 75.7 59.2 35.7 M39x1/M55x1
STS-0101/121 532 89.7 玻璃 6 58 x 58 16.5 96.3 90 40 M85x1
STS-0162/121 532 162.1 玻璃 7 100 x 100 16.1 183.5 59.2 25.2 M39x1/M55x1
STS-0163/121 532 147.1 玻璃 7 77 x 77 20 161.8 89 43.1 M85x1
STS-0300/121 532 276.9 玻璃 14 200 x 200 29 324.1 128 78 M85x1
STS-0508/121 532 528.3 玻璃 16 330 x 330 43 603.8 127 56.9 M85x1
STS-0580/292 515 - 545 613.2 石英 10 367 x 367 33.5 706.9 89 38 M85x1
STS-0825/121 532 768.6 玻璃 16 585 x 585 43 842.9 130 9 M102x1
STS-1163/081 532 163.2 玻璃 12 102 x 102 29 159.7 106 82.5 M85x1
STS-1254/121 532 233.5 玻璃 10 148 x 148 24.7 282.1 109 55.3 M85x1
STS-1330/292 515 - 545 347.9 石英 14 212 x 212 36 279 122 108.4 M85x1
STS-3100/292 515 - 545 113.2 石英 5 74 x 74 19.2 152 89 48.5 M85x1
STS-3164/121 532 162.8 玻璃 10 120 x 120 28 186.5 106 47 M85x1
STS-3260/292 515 - 545 259.4 石英 10 162 x 162 26 325.5 105 61 M85x1
STS-3430/121 532 430 玻璃 20 310 x 310 56.3 409.1 240 149 M130x1
STS-8254/081 532 254 玻璃 15 180 x 180 25 211.4 128 122 M85x1

STJ系列515-540nm场镜

型号 波长 (nm) FL (mm) SAR (mm) SA (°) EP (mm) 焦斑 (?m) a1 (mm) a2 (mm) 远心度 (| 扫描 (°) WD (mm) MT
STJ-017700-209-26 515 - 540 100 90 53 10 10 13 43 7.7 | 7.8 95 M85x1
STJ-017700-202-26 515 - 540 102 75 43 15 7 18 36 4.1 | 4.9 133 M85x1
STJ-017700-203-26 515 - 540 108 75 40 15 7 16 39 4.9 | 5.1 130 M85x1
515 - 540 108 86 46 15 7 16 31 7.1 | 7.3 130 M85x1
STJ-017700-206-26 515 - 540 170 160 54 14 12 17 41 10.9 | 11.0 195 M85x1
STJ-017700-205-26 515 - 540 255 233 52 20 12 25 39 14.2 | 14.3 294 M85x1
STJ-017700-208-26 515 - 540 330 347 58 16 23 17 41 18.4 | 18.4 384 M85x1
STJ-017700-207-26 515 - 540 420 420 57 15 27 17 41 19.3 | 19.3 485 M85x1

STYT系列532nm远心场镜(熔融石英)

型号 FL mm WD mm EP mm SA max SAR, mm (圆/方) FSD ?m OD mm Max IA (o) MT
STYT-510-550-23-62 62 82.10 10 ±16? Φ33/23x23 6.2 90 1 M85x1
STYT-510-550-37-88 88 100.63 14 ±17? Φ52/37x37 10 120 1.9 M85x1
STYT-510-550-54-100 100 142.2 10 ±20.7? Φ76/54x54 13.5 120 0.38 M85x1
STYT-510-550-50-100 100 136.4 14 ±21? Φ70.7/50x50 7 120 1.3 M85x1
STYT-510-550-90-167 167 232.23 14 ±21? Φ127/90x90 11.61 140 3 M85x1

STYT系列532nm远心场镜(光学玻璃)

型号 FL mm WD mm EP mm 扫描角 maxi SAR, mm (圆/方) FSD ?m OD mm Max A (o) MT
STYT-532-50-100 100 125.04 15 ±21.5? Φ71/50x50 6.5 120 3.2 M85x1
STYT-532-60-110 110 132.94 15 ±21.5? Φ83/60x60 7.2 120 3.2 M85x1
STYT-532-91-170 170 214.66 14 ±21.8? Φ129/91x91 11.8 140 3 M85x1
STYT-532-100-170 170 204.79 20 ±24? Φ141/100X100 8.53 164 4 M102x1

STHT系列532nm远心场镜

型号 材料 FL mm WD mm EP mm 扫描角 SAR mm FSD ?m ODxL mm Max A (o) MT
STHT-532-65-100 玻璃 100 138 8 ±25? 65x65 10 120x83.8 1.5 M85x1
STHT-510-550-50-100 石英 100 127 12 ±25? 50x50 10 120x82.1 1.5 M85x1
STHT-510-550-65-100 石英 100 127 12 ±25? 65X65 10 120x82.1 1.5 M85x1

STS系列515-545nm远心场镜

型号 波长 (nm) FL (mm) 材料 EP (mm) SAR (mm*mm) AS (mm) WD (mm) OD (mm) 长度 (mm) MT
STS-0055/121 532 59.3 玻璃 10 20 x 20 16.9 72.1 89 58 M85x1
STS-0058/121 532 53.1 玻璃 6 15 x 15 25.5 52.6 90 40.7 M85x1
STS-0080/121 532 77 玻璃 14 49 x 49 22.8 74.1 107 83.8 M85x1
STS-0141/121 532 171 玻璃 15 50 x 50 102.1 196.6 108 70.6 M85x1
STS-0200/121 532 198.4 玻璃 20 75 x 75 111.6 232 142 94 TK 133.0
STS-0221/121 532 201.5 玻璃 10 139 x 139 46 264 281 178.7 TK 267.0
STS-1094/121 532 88 玻璃 16 36 x 36 33.8 107.5 85 66.3 70
STS-1095/121 532 88 玻璃 16 32 x 32 39.8 107.3 85 66.3 M55x1/M85x1
STS-3046/292 515 - 545 48.1 石英 15 7 x 7 26 60.2 90 64.9 M85x1
STS-3050/292 515 - 545 58.6 石英 6 20 x 20 21 79.3 87 39.7 M85x1
STS-3161/292 515 - 545 163.9 石英 10 90 x 90 26.3 219 122 98 M85x1
STS-3301/292 515 - 545 305.5 石英 15 141 x 141 30 487.9 218 248.3 M85x1
STS-4010/292 515 - 545 100 石英 10 35 x 35 30 130.2 106 78.7 M85x1
STS-4031/292 515 - 545 32.2 石英 10 6 x 6 16.5 28.4 90 39.9 M85x1
STS-4066/292 515 - 545 67.2 石英 15 15 x 15 24 85.8 94 73.3 M85x1
STS-4126/292 515 - 545 125.3 石英 10 53 x 53 34.6 167 106 92.2 M85x1
STS-4262/292 515 - 545 163.6 石英 12 65 x 65 35.2 195.4 121 148.1 M85x1
STS-5100/121 532 100.1 玻璃 10 69 x 69 30 126.7 128 85.5 M85x1
STS-5165/121 532 162.7 玻璃 10 75 x 75 53.9 195.1 136 128 M85x1

STK系列515/532nm场镜/远心场镜

型号 FL (mm) EP (mm) SAR(mm) SA(deg) FSD(um) WD(mm) Max A (o) OD (mm) 长度(mm) MT
STK-515-28-79 70 14 Φ40/28x28

82.2 < 1

M85x1
STK-532-40-110 110 14 Φ57/40X40

149 < 2

M85x1
STK-532-80-163 163 10 Φ113/80X80

227 < 1.1

M85x1
STK-515-150-350 350 30 150x150 ±18 20 464 < 7 205 157 M110x1
STK-515-162-250 250 10 Φ230/162X162

319 < 5

M85x1
STK-532-165-250 250 20 Φ233/165X165

300


M83.5x1
STK-532-165-255 255 20 Φ255/165x165

272 < 16

M85x1
STK-532-170-260 260 20 Φ240/170X170

360 < 1.5

M85x1
STK-532-230-350 350 16 Φ327/230x230

381


M85x1

波长405nm场镜

STY系列405nm 场镜(熔融石英)

型号 FL mm WD mm EP mm SA max SAR, mm (圆/方) FSD ?m OD mm MT
STY-405-300-375 375.42 430.89 10 ±31.2? Φ424/300x300 27.8 116 M92x1
STY-405-520-750 750 839.53 16 ±28? Φ736/520x520 35 120 M85x1
STY-405-600-840 840 941.93 18 ±28? Φ850/600x600 34.59 120 M85x1

STH系列405nm场镜

型号 FL mm WD mm EP mm SA max SAR mm FSD ?m L2/L1 mm MT
STH-405-110-160-12 160 176 12 ±28? 110x110 26 16/16 M85x1
STH-405-140-210-12 210 230 12 ±28? 140x140 34 16/16 M85x1
STH-405-175-254-16 254 284 16 ±28? 175x175 31 16/16 M85x1
STH-405-200-290-16 290 324 16 ±28? 200x200 31 16/16 M85x1

STS系列405nm场镜

型号 FL mm 材料 SAR mm EP mm AS mm WD mm OD mm 长度 mm MT
STS-3160/173 176 石英 110x110 6 21.1 157.6 220.9 36.8 M85x1
STS-3260/173 263.9 石英 164x164 10 26 331.3 105 61 M85x1
STS-0580/173 593.8 石英 326x326 10 19 686.1 89 38 M85x1
STS-0314/173 315.1 光学玻璃 200x200 10 36.2 372 116 49 M92x1
STS-0375/173 375.3 光学玻璃 300x300 10 35.5 447.9 116 47.9 M92x1
STS-1210/173 1202.7 光学玻璃 748x748 20 48.5 1353.7 152 96.9 M85x1
STS-1208/173 1794 光学玻璃 1010x1010 20 47.5 1929.7 96 31.8 M85x1
STS-1208/173 1794 光学玻璃 800x800 30 47.5 1929.7 96 31.8 M85x1

STS系列405nm远心场镜

型号 FL mm 材料 SAR mm EP mm AS mm WD mm OD mm 长度 mm MT
STS-4110/173 111.4 石英 63x63 6 33.1 157.6 121 86 M85x1
STS-8050/173 55.1 光学玻璃 30x30 6 16.2 67.3 90 52 M85x1

波长355nm场镜

STY系列355nm场镜(熔融石英)

型号 FL mm WD mm EP mm SA max SAR, mm (圆/方) FSD ?m OD mm MT
STY-355-65-100 100 121.37 8 ±25? Φ90/65×65 8.36 90 M85x1
STY-355-80-130 130 161.14 10 ±25? 113/80x80 8.5 90 M85x1
STY-355-100-160 160 193.89 10 ±25? Φ140/100×100 10.3 90 M85x1
STY-355-110-162 162 200.82 12 ±28? Φ155/110×110 8.77 105 M85x1
STY-355-105-170 170 210.19 10 ±25? Φ148/105×105 11.04 90 M85x1
STY-355-135-210 210 250.55 10 ±25? Φ190/135×135 13.6 90 M85x1
STY-355-130-210 210 236.91 15 ±25? Φ185/130×130 9.1 120 M85x1
STY-355-103-235 235 189.02 10 ±17.4&rsquo;&rsquo; Φ146/103×103 15.27 90 M85x1
STY-355-175-254-10 254 300.72 10 ±25? Φ247.5/175×175 16.4 90 M85x1
STY-355-170-254-14 254 318.21 14 ±27? Φ241.2/175×175 11.79 120 M85x1
STY-355-175-255 255 313.53 10 ±28? Φ221/175×175 16.57 120 M85x1
STY-355-201-305 305 365.55 16 ±26.7? Φ285/201×201 12.38 120 M85x1
STY-355-195-330 330 390.77 10 ±24? Φ276/195×195 21.43 90 M85x1
STY-355-203-330 330 383.39 14 ±25? Φ288/203×203 15.3 120 M85x1
STY-355-216-350 350 409.61 10 ±25? Φ305/216×216 16.24 120 M85x1
STY-355-290-470 470 535.30 16 ±25? Φ410/290×290 19.08 120 M85x1
STY-355-320-500 500 568.14 14 ±26? Φ452/320×320 23 120 M85x1
STY-355-360-580 580 663.11 16 ±25? Φ509/360×360 25.22 120 M85x1
STY-355-468-730 730 702.04 10 ±26? Φ661/468×468 47.4 90 M85x1
STY-355-520-750 750 823.37 16 ±28? Φ735/520×520 32.3 120 M85x1
STY-355-600-840 840 921.44 18 ±29? Φ850/600×600 30.3 120 M85x1
STY-355-660-910 910 990.84 18 ±29.5? Φ933/660×660 42.2 120 M85x1
STY-355-780-1090 1090 1177.90 18 ±29? Φ1103/780×780 44.24 120 M85x1
STY-355-800-1180 1180 1174.87 14 ±28? Φ1130/800x800 54.76 120 M85x1
STY-355-885-1280 1280 1164.59 14 ±25? Φ1251/885x885 59.4 120 M85x1
STY-355-900-1450 1450 1499.77 14 ±25? Φ1272/900×900 67.29 120 M85x1
STY-355-1070-1550 1550 1175.40 10 ±28? Φ1513/1070x1070 174.7 120 M85x1

STH系列355nm场镜(熔融石英)

355nm场镜(熔融石英)

型号 FL mm WD mm EP mm SA max SAR mm FSD ?m ODxL mm L2/L1, mm MT
STH-355-15-34-7 34 29 7 ±16? 15x15 4 90x44.9 12/10 M85x1
STH-355-13-34-7M79 34 29 7 ±16? 13x13 4 85x45.4 12/10 M79x1
STH-355-30-50-7 50 45 7 ±25? 30x30 5 90x68.3 13/12 M85x1
STH-355-50-63-7 63 83 7 ±25? 50x50 4 90x60.8 16/16 M85x1
STH-355-70-100-7 100 126 7 ±25? 70x70 10 90x54.6 13/15 M85x1
STH-355-80-130-8 130 151 8 ±25? 80x80 11 60x34.2 12/9 M55x1
STH-355-100-160-8M79 160 200 8 ±25? 100x100 15 90x50 16/16 M79x1
STH-355-100-160-8 160 200 8 ±25? 100x100 15 90x50 16/16 M85x1
STH-355-100-160-12 160 200 12 ±25? 100x100 10 90x50 15/20 M85x1
STH-355-114-170-8 170 207 8 ±28? 114x114 14 90x54.6 13/13 M85x1
STH-355-140-210-8M79 210 252 8 ±25? 140x140 17 90x50 13/12 M79x1
STH-355-140-210-8 210 252 8 ±25? 140x140 17 90x50 16/16 M85x1
STH-355-170-254-10 254 309 10 ±28? 170x170 17 90x50 16/16 M85x1
STH-355-170-254-10M55 254 309 10 ±28? 170x170 17 90x50 13/12 M55x1
STH-355-200-290-10 290 336 10 ±25? 200x200 20 90x50 13/12 M85x1
STH-355-220-330-8 330 373 8 ±25? 220x220 30 90x50 13/12 M85x1
STH-355-220-330-8M79 330 373 8 ±25? 220x220 30 90x50 13/12 M85x1
STH-355-250-380-8 380 442 8 ±25? 250x250 35 90x50 13/12 M85x1
STH-355-300-420-8 420 475 8 ±28? 300x300 38 90x50 13/12 M85x1
STH-355-330-470-8 470 531 8 ±28? 330x330 39 90x50 16/12 M85x1
STH-355-360-510-8 510 585 8 ±28? 350x350 42 90x50 13/12 M85x1
STH-355-450-650-8 650 710 8 ±28? 450x450 53 90x50 13/12 M85x1
STH-355-550-750-8 750 833 8 ±28? 550x550 74 90x50 16/16 M85x1
STH-355-600-840-8 840 924 8 ±28? 600x600 83 90x50 16/16 M85x1
STH-355-800-1090-8 1090 1178 8 ±25? 800x800 30 90x41 20/12 M85x1

备注:M79x1mm或其它安装螺纹的场镜也可以供应。

STY-WT系列355nm场镜

产品型号 FL (mm) SA (±°) SL (mm) SAR (mm) EP (mm) FSD (um) 长度 (mm) WD (mm)
STY-355-60-100-WT 100.0 25° 85.0 60x60 6.0 15.5 56.0 130.5
STY-355-76-108-WT 108.3 28.4° 107.7 76x76 6.0 - 49.0 146.0
STY-355-109-174-WT 173.9 25° 153.2 109x109 6.0 - 36.8 218.4
STY-355-112-160-WT 160.0 20° 158.0 112x112 7.0 13.5 50.0 177.79
STY-355-112-160Q-WT 160.0 29° 160.0 112x112 6.0 18 50.36 206.6
STY-355-155-250-WT 250.3 25.4° 219.2 155x155 10.0 - 61.0 309.6
STY-355-160-254-WT 254.0 25° 220.0 160x160 12.0 22.0 55.0 311.0
STY-355-130-269-WT 269.3 19.0° 183.0 130x130 4.0 - 47.0 276.1
STY-355-180-290-WT 290.0 25.5° 255.0 180x180 20.0 40.0 65.0 332.5
STY-355-250-410-WT 410.0 25° 354.0 250x250 10.0 7.0 46.8 488.2
STY-355-320-580-WT 580.0 22° 455.0 320x320 10.0 27.0 38.0 668.0
STY-355-350-580-WT 580.0 25° 495.0 350x350 15.0 24.0 46.0 689.0
STY-355-500-810-WT 810.0 28° 850.0 500x500 24.0 55.0 57.0 880.0
STY-355-440-831-WT 831.1 21.4° 624.5 440x440 14.0 - 62.5 983.2
STY-355-470-912-WT 919.2 20.8° 678.0 470x470 14.0 - 40.0 1032.0

STS系列355nm场镜

型号 波长 (nm) FL (mm) 材料 EP (mm) SAR (mm*mm) AS (mm) WD (mm) OD (mm) 长度 (mm) MT
STS-0580/075 355 580.8 石英 10 320 x 320 39 671.5 89 38 M85x1
STS-0815/075 355 829.4 石英 14 440 x 440 25 981.1 90 62.5 M85x1
STS-0920/075 355 919.9 石英 14 470 x 470 41 1035.1 89 40 M85x1
STS-1330/075 355 329.3 石英 14 210 x 210 36 260.5 122 108.4 M85x1
STS-3100/075 355 108.3 石英 6 76 x 76 17.1 145.7 89 49 M85x1
STS-3160/075 355 174.7 石英 6 109 x 109 21.1 219 89 36.8 M85x1
STS-3260/075 355 250.3 石英 10 155 x 155 28.1 309.8 105 61 M85x1

STJ系列355nm场镜

型号 WL (nm) FL (mm) SAR (mm) SA (°) EP (mm) FSD (?m) a1 (mm) a2 (mm) 远心度 (|扫描 (°) WD (mm) MT
STJ-017700-401-26 355 53 24 24 10 3.5 13 46 0.4 | 1.5 65 M85x1

STJ系列355nm高功率场镜

型号 波长 (nm) FL (mm) SAR (mm) SA (°) EP (mm) 焦斑 (?m) a1 (mm) a2 (mm) 远心度 (| 扫描 (°) WD (mm) MT
STJ-017700-402-26 355 103 71 40 9 8 14 47 2.4 | 2.8 135 M85x1
STJ-017700-406-26 355 255 240 54 10 17 13 42 12.7 | 12.7 314 M85x1
STJ-017700-405-26 355 510 431 51 14 24 14 42 18.2 | 18.2 609 M85x1
STJ-586840 355 170 140 50 10 11 13 42 4.8 | 4.8 236 M85x1

STYT系列355nm远心场镜 (熔融石英)

型号 FL mm WD mm EP mm SA max SAR,mm (圆/方) FSD ?m OD mm Max IA (o) MT
STYT-355-8-30 30 35.35 10 ±10.5? Φ8.5/8x8 1.95 90 1.8 M85x1
STYT-355-1-32 32 26.34 10 ±7.6? Φ8.5/1x1 3.2 90 2 M85x1
STYT-355-22-60 60 73.65 10 ±16? Φ31/22x22 11.5 90 1.26 M85x1
STYT-355-15-65 65 81.1 10 ±9.4? Φ21.2/15x15 4.2 94 1.8 M85x1
STYT-355-28-74 74 91.35 10 ±16? Φ40/28x28 4.5 90 1.0 M85x1
STYT-355-50.8-100 100 107.68 14 ±20.4? Φ71/50.8x50.8 6.69 120 1.6 M85x1
STYT-355-50-100 100 136.48 14 ±21? Φ70.7/50x50 5 120 0.5 M85x1
STHT-355-60-100 100 133 8 ±25? 60X60 11 120 1.5 M85x1
STYT-355-51-103 103 136.13 12 ±20.4&rsquo;&rsquo; Φ72/51x51 5.58 100 1.93 M85x1
STYT-355-65-110 110 153.88 8 ±24? Φ92/65x65 8.9 120 1.6 M85x1
STYT-355-65-120 120 149.1 10 ±22.5? Φ92/65x65 8 118 1.5 M85x1
STYT-355-60-130 130 159.92 10 ±19? Φ85/60x60 8.45 120 0.98 M85x1
STYT-355-90-167 167 211.25 10 ±24? Φ127/90x90 10.8 130 5.28 M85x1
STYT-355-70-167 167 234.52 14 ±18? Φ99/70x70 7.8 140 0.48 M85x1
STYT-355-90-166.57 166.57 229.16 14 ±22? Φ127/90x90 7.7 159 < 2 M85x1
STYT-355-101-175 175 247.49 10 ±24? Φ142/101x101 11.8 140 3.13 M85x1
STYT-355-172-295 295 426.75 14 ±23.7? Φ244/172x172 13 280 1.7 M85x1
STYT-355-173-330 330 681.58 14 ±20? Φ245/173x173 15.3 270 1.35 M85x1

STHT系列355nm远心场镜(熔融石英)

型号 FL mm WD mm EP mm SA max SAR mm FSD ?m L2/L1 mm ODxL mm Max IA (o) MT
STHT-355-50-63-8 63 90 8 ±25? 50x50 8 16/20 90x60.8 1.5 M85x1
STHT-355-60-100-8 100 133 8 ±25? 60x60 11 14/20 120x83.8 1.5 M85x1
STHT-355-65-110-8 110 150 8 ±25? 65x65 11 14/22 120x85.8 1.5 M85x1
STHT-355-85-130-8 130 180 8 ±25? 80x80 15 14/22 129x117 1.5 M85x1
STHT-355-100-160-8 160 220 8 ±25? 100x100 13 14/22 155x129 1.5 M85x1

STS系列355nm远心场镜

型号 波长 (nm) FL (mm) 材料 EP (mm) SAR (mm*mm) AS (mm) WD (mm) OD (mm) 长度 (mm) MT
STS-3046/075 355 45 石英 15 7 x 7 26 55.7 90 64.9 M85x1
STS-3050/075 355 56 石英 6 20 x 20 19.5 75.9 87 39.5 M85x1
STS-3170/075 355 163.4 石英 10 90 x 90 26 221.7 127 103.7 M85x1
STS-3301/075 355 290 石英 10 137 x 137 30 465.9 218 248.3 M85x1
STS-4010/075 355 100.2 石英 10 35 x 35 34.6 132 106 78.7 M85x1
STS-4031/075 355 32.1 石英 10 6 x 6 16.5 29.1 90 39.8 M85x1
STS-4067/075 355 65.5 石英 15 15 x 15 24 81.7 94 79 M85x1
STS-4110/075 355 109.4 石英 6 63 x 63 33.1 154.6 121 86 M85x1
STS-4125/075 355 125 石英 10 53 x 53 36.8 156.9 106 106.3 M85x1
STS-4262/075 355 163 石英 10 65 x 65 35.2 193.7 121 145.5 M85x1
STS-5256/075 355 256.8 石英 6 86 x 86 24 145.4 138 173.5 M85x1

STK系列355nm远心场镜

型号 FL (mm) EP (mm) SAR(mm) SA(deg) WD(mm) FSD(mm) Max IA(o) OD (mm) 长度(mm) MT
STK-355-25-70 70 8 Φ36/25x25
78.6 10 < 1.0o

M85x1
STK-355-50-103 103 9 Φ70/50x50
143
< 1.2o

M85x1
STK-355-90-165 165 10 Φ127/90x90
226 11 < 1.0o

M85x1
STK-355-118-220 220 14 Φ167/118x118
280 13 < 1.5o

M85x1
STK-355-130-265 265
Φ186/130x130
353 10 < 1.0o

M85x1
STK-355-160-255 255 14 Φ230.8/160x160 ±27 344 19 < 1.5o 278 218 M85x1
STK-355-180-320 320 14 Φ254/180x180
422 19 < 1.5o

M85x1
STK-355-200-330 330 14 Φ283/200x200 ±26 445 14 < 1.5o 295 360 M85x1
STK-355-230-356 356 14 Φ325/230x230
498 22 > 1.0 o

M85x1

波长266nm

STY-WT系列266nm场镜

产品型号 FL (mm) SA (±°) SL (mm) SAR (mm) EP (mm) FSD (um) 长度 (mm) WD (mm)
STY-266-70-100-WT 100.0 28° 95.0 70x70 5.0 8.0 49.0 137.0
STY-266-110-160-WT 160.0 28° 160.0 110x110 5.0 10.0 36.7 200.0
STY-266-90-254-WT 254.0 18° 156.0 90x90 4.0 16.0 47.0 25.0

STS系列266nm场镜

型号 波长 (nm) FL (mm) 材料 EP (mm) SAR (mm*mm) AS (mm) WD (mm) OD (mm) 长度 (mm) MT
STS-3100/199 266 101.5 石英 5 73 x 73 17.1 136.3 89 49 M85x1
STS-3160/199 266 161.4 石英 5 105 x 105 21.1 202.8 89 36.8 M85x1
STS-0256/199 266 245.4 石英 4 148 x 148 13.5 249.3 90 47 M85x1

STS系列266nm远心场镜

型号 波长 (nm) FL (mm) 材料 EP (mm) SAR (mm*mm) AS (mm) WD (mm) OD (mm) 长度 (mm) MT
STS-3050/199 266 53.5 石英 6 20 x 20 17.8 72 87 39 M85x1
STS-4105/199 266 96.1 石英 5 50 x 50 26.9 134.5 121 86.2 M85x1
STS-4163/199 266 159.8 石英 10 64 x 64 32.6 213.6 121 173 M85x1
STS-4263/199 266 162.9 石英 10 70 x 70 35.2 218.4 121 110.4 M85x1

STJ系列266nm高功率场镜

型号 波长 (nm) FL (mm) SAR (mm) SA (°) EP (mm) 焦斑 (?m) a1 (mm) a2 (mm) 远心度 (| 扫描 (°) WD (mm) MT
STJ-017700-601-26 266 103 71 40 9 6 14 46 2.6 | 2.9 133 M85x1

消色差场镜

消色差场镜是使激光波长和可见光波长聚焦在同一个焦平面上,以便CCD摄像画面与激光加工面同步清晰,观察加工过程。

STY系列355nm消色差场镜

型号 FL mm WD mm EP mm 扫描角 max SAR, mm (圆/方) FSD ?m OD mm MT
STY-355-635-50-140 140 100.29 10-12 ±14.5? Φ70.7/50x50 9.1 90 M85x1
STY-355-532-60-170 170 135 10 ±15? Φ80/60x60 11.1 105 M85x1
STY-355-633120-254 254 222.49 10 ±19? Φ170/120x120 16.49 105 M85x1

STY系列532nm消色差场镜

型号 FL mm WD mm EP mm 扫描角 max SAR, mm (圆/方) FSD ?m OD mm MT
STY-532-633-50-140 500 517.29 14 ±28? Φ495/350x350 34.8 105 M85x1

STY系列915nm消色差场镜

型号 FL mm WD mm EP mm SA max SAR, mm (圆/方) FSD ?m OD mm MT
STY-915-633-130-210 210 229.76 30 ±25? Φ184/130x130 12.06 132 M102x1;M121x1
STY-915-680-300-500 500 535.43 30 ±25? Φ424/300x300 27.9 140 M102x1

STY系列1064nm消色差场镜

型号 FL mm WD mm EP mm SA max SAR, mm (圆/方) FSD ?m OD mm MT
STY-1064-633-70-100 100 102.84 10 ±25? Φ100/70x70 19.5 90 M85x1
STY-1064-633-110-160-10 160 169.87 10 ±28? Φ155/110x110 31 105 M85x1
STY-1064-633-110-160-12 160 172.47 12 ±28? Φ156/110x110 25.9 105 M85x1
STY-1064-633-100-170 170 179.99 30 ±25? Φ150/100x100 11 140 M112x1;M102x1;M95x1
STY-1064-633-130-210 210 232.31 30 ±25? Φ185/145x130 13.65 140 M112x1;M102x1;M95x1
STY-1064-633-175-254 254 261.75 10 ±25? Φ247/175x175 49.4 90 M85x1
STY-1064-633-157-254 254 269.27 30 ±25? Φ222/157x157 30 140 M112x1;M102x1;M95x1
STY-1064-468-176-255 255 262.43 10 ±28? Φ248/176x176 49.4 90 M85x1
STY-1064-633-180-260 260 253.45 15 ±28? Φ255/180x180 33.75 135 M85x1
STY-1064-633-200-330 330 356.13 30 ±25? Φ283/200x200 21.4 140 M112x1;M102x1;M95x1
STY-1064-633-260-420 420 455.42 30 ±25? Φ368/260x260 27.3 140 M112x1;M102x1;M95x1

激光清洗用场镜

激光清洗用场镜

便携式清洗机用,该场镜体积小,重量轻。

产品型号 FL mm WD mm EP mm SA max SAR mm(square) FSD ?m OD mm MT
STY-405-200x1-330Q 330 401.37 10 ±17.5? 200x10 24.5 75x21x44.5 D4.5x285x1
STY-1030-1080-70X8-160 160 204.03 20 ±12.5 ? 70x8 15.57 90x49x75 D4.5x285x1
STY-1070-650-80X5-160Q 160 199.9 10 ±14.7 ? 80x5 31.15 63.5x21x42.7 D4.5x285x1
STY-1030-1080-80X10-255 255 320.34 20 ±10 ? 80x10 30 90x49x82 D4.5x285x1

9.3um/10.6um二氧化碳激光场镜

单镜片场镜

STSL系列ZnSe单片CO2激光扫描聚焦镜片

库存CC系列70x70、105x105、155x155、175x175、210x210、250x250、300x300mm二氧化碳激光场镜,特价促销,随时发货,欢迎抢购,售完为止。

  • 工作激光波长: 10.6um

  • 材料: 硒化锌ZnSe

  • 镜片直径: 48mm

  • 镜片边缘厚度: 3mm

  • 最大入射光束直径: f15mm

型号 焦距 (mm) 扫描范围(mmxmm) 后焦距 (mm) 边焦距(mm) 平均聚焦光斑直径(mm)
STSL-10.6-50-75 75.2 50 x 50 74.2 78.4 171
STSL-10.6-60-90 90.1 60 x 60 90.0 94.8 174
STSL-10.6-70-101-CC 101.3 70 x 70 101.4 106.1 181
STSL-10.6-105-149-CC 149.1 105 x 105 150.6 155.6 219
STSL-10.6-120-175 175.0 120 x 120 177.4 178.4 243
STSL-10.6-125-179 179.2 125 x 125 181.9 187.3 247
STSL-10.6-140-201 200.6 140 x 140 203.5 208.8 269
STSL-10.6-155-226-CC 225.5 155 x 155 228.0 232.8 296
STSL-10.6-175-249-CC 249.4 175 x 175 253.3 258.5 320
STSL-10.6-210-298-CC 298.0 210 x 210 302.6 307.7 373
STSL-10.6-250-363-CC 362.6 250 x 250 368.2 373.2 445
STSL-10.6-280-394 394.4 280 x 280 401.4 406.7 481
STSL-10.6-300-433-CC 432.7 300 x 300 441.0 446.2 525
STSL-10.6-340-482 481.8 340 x 340 490.2 495.3 581
STSL-10.6-370-529 528.8 370 x 370 538.5 543.5 634
STSL-10.6-415-592 591.7 415 x 415 586.5 589.9 717
STSL-10.6-500-717 716.5 500 x 500 730.0 734.7 850
STSL-10.6-550-782 781.6 550 x 550 797.7 802.2 925
STSL-10.6-600-848 848.4 600 x 600 859.6 863.7 1000
STSL-10.6-680-978 977.6 680 x 680 993.7 997.9 1150
STSL-10.6-840-1183 1183 840 x 840 1205 1208 1390
STSL-10.6-850-1201 1201 850 x 850 1216 1220 1410
STSL-10.6-920-1285 1285 920 x 920 1317 1321 1520
STSL-10.6-1000-1409 1409 1000 x 1000 1421 1425 1650
STSL-10.6-1120-1577 1577 1120 x 1120 1593 1596 1840
STSL-10.6-1256-1746 1746 1256 x 1256 1783 1787 2040
STSL-10.6-1500-2122 2122 1500 x 1500 2173 2177 2420

注:扫描范围是基于+/-20度扫描角计算的

带安装座的STSL系列ZnSe单片CO2激光扫描聚焦镜

产品型号 焦距 (mm) 扫描范围(mm) 工作距WD (mm) 平均聚焦光斑直径(mm)
STSL-10.6-50-75 75.2 50 x 50 59.8 171
STSL-10.6-60-90 90.1 60 x 60 75.6 174
STSL-10.6-70-101 101.3 70 x 70 87.0 181
STSL-10.6-105-149 149.1 105 x 105 136.2 219
STSL-10.6-120-175 175.0 120 x 120 163.0 243
STSL-10.6-125-179 179.2 125 x 125 167.5 247
STSL-10.6-140-201 200.6 140 x 140 189.1 269
STSL-10.6-155-226 225.5 155 x 155 213.6 296
STSL-10.6-175-249 249.4 175 x 175 238.9 320
STSL-10.6-210-298 298.0 210 x 210 288.2 373
STSL-10.6-250-363 362.6 250 x 250 353.8 445
STSL-10.6-280-394 394.4 280 x 280 387.0 481
STSL-10.6-300-433 432.7 300 x 300 426.6 525
STSL-10.6-340-482 481.8 340 x 340 475.8 581
STSL-10.6-370-529 528.8 370 x 370 524.1 634
STSL-10.6-415-592 591.7 415 x 415 572.1 717
STSL-10.6-500-717 716.5 500 x 500 715.6 850
STSL-10.6-550-782 781.6 550 x 550 783.3 925
STSL-10.6-600-848 848.4 600 x 600 845.2 1000
STSL-10.6-680-978 977.6 680 x 680 979.3 1150
STSL-10.6-840-1183 1183 840 x 840 1190.6 1390
STSL-10.6-850-1201 1201 850 x 850 1201.6 1410
STSL-10.6-920-1285 1285 920 x 920 1302.6 1520
STSL-10.6-1000-1409 1409 1000 x 1000 1406.6 1650
STSL-10.6-1120-1577 1577 1120 x 1120 1578.6 1840
STSL-10.6-1256-1746 1746 1256 x 1256 1768.6 2040
STSL-10.6-1500-2122 2122 1500 x 1500 2158.6 2420

STXH系列场镜

产品型号 SAR(mm) FSD(mm) FL(mm) WD(mm) L1(mm) 远心度(o)
STXH-10.6-50-75 50×50 0.12 75 57.5 15.5 16.1
STXH-10.6-70-100 70×70 0.18 101.3 85.7 14.4 19
STXH-10.6-90-125 90x90 0.22 128.3 111.9 13.3 21.8
STXH-10.6-110-150 110×110 0.29 150.2 135.9 13.3 23.5
STXH-10.6-140-230 140×140 0.50 238.1 227 12.8 23.6
STXH-10.6-175-250 175×175 0.54 250 238 14.0 23.9
STXH-10.6-210-300 210×210 0.61 300 288 13.8 24.5
STXH-10.6-250-360 250×250 0.80 360 352.8 12.4 26.7
STXH-10.6-300-430 300×300 1.00 430 356.5 13.8 27.8

备注:STXH系列场镜镜片直径48mm,最大入射光斑直径14mm,扫描镜间距16.5mm, 场镜外径91mm,长度24mm,安装螺纹M85x1mm,材料是ZnSe。20mm、38mm和65mm的场镜可以定制。

STY系列10.6um场镜

型号 FL mm WD mm EP mm SA max SAR, mm (圆/方) FSD ?m ODxL mm MT
STY-10.6-70-100 100 85.5 10 ±25? Φ100/70x70 193.98 90x26.5 M85x1
STY-10.6-110-150 150 131.5 12 ±25? Φ155/110x110 242.47 90.2x26.5 M85x1
STY-10.6-140-200 200 185.7 15 ±25? Φ198/140x140 258.64 90.2x26.5 M85x1
STY-10.6-175-250 250 244.8 15 ±25? Φ248/175x175 323.3 90x26 M85x1
STY-10.6-210-300 300 298.8 12 ±25? Φ297/210x210 484.95 90x26 M85x1
STY-10.6-250-360 360 350 12 ±25? Φ495/250x250 581.94 90x26 M85x1
STY-10.6-300-430 430 420.2 15 ±25? Φ424/300x300 558.08 90x26 M85x1
STY-10.6-350-500 500 552.52 20 ±28.4 ? Φ494/350x350 48.67 120x32.5 M85x1
STY-10.6-400-580 580 663.8 20 ±25? Φ580/400x400 562.54 120x47 M85x1

STH系列10.6um场镜

型号 FL, mm SAR, mm FSD, mm MT
STH-10.6-50-63 63 50x50 0.2 M85x1
STH-10.6-70-100 100 70x70 0.2 M85x1
STH-10.6-110-160 160 110x110 0.2 M85x1
STH-10.6-140-230 230 140x140 0.2 M85x1
STH-10.6-175-254 254 175x175 0.2 M85x1
STH-10.6-210-300 300 210x210 0.2 M85x1
STH-10.6-250-360 360 250x250 0.25 M85x1
STH-10.6-300-450 450 300x300 0.35 M85x1
STH-10.6-400-592 592 400x400 0.2 M85x1
STH-10.6-600-650 650 600x600 0.7 M85x1

STL系列10.6um单镜片场镜

产品型号 FL, mm SAR, mm EP, mm SA, ±° FSD, ?m 镜片直径 mm DxL, mm
STL-10.6-35-52-48 52 35X35 10 28 128 48 89x25
STL-10.6-50-75-48 75 50X50 10 28 181 48 89x25
STL-10.6-70-100-48 100 70x70 12 28 185 48 89x25
STL-10.6-75-120-48 120 75x75 10 28 190 48 89x25
STL-10.6-90-130-48 130 90x90 10 28 200 48 89x25
STL-10.6-110-150-48 150 110X110 12 28 280 48 89x25
STL-10.6-140-200-48 200 140X140 15 28 338 48 89x25
STL-10.6-175-250-48 250 175X175 15 28 357 48 89x25
STL-10.6-210-300-48 300 210X210 12 28 565 48 89x25
STL-10.6-250-359-48 359 250X250 12 28 478 48 89x25
STL-10.6-300-433-48 433 300X300 12 28 640 48 89x25
STL-10.6-320-450-48 450 320X320 12 28 687 48 89x25
STL-10.6-350-480-48 480 350X350 12 28 780 48 89x25
STL-10.6-400-573-48 573 400X400 12 28 979 48 89x25
STL-10.6-500-720-48 720 500X500 14 28 1267 48 89x25
STL-10.6-530-720-48 720 530X530 12 28 1267 48 89x25
STL-10.6-680-934-48 934 680X680 12 28 1630 48 89x25
STL-10.6-750-1191-48 1191 750X750 12 28 2018 48 89x25
STL-10.6-1380-2128-48 2128 1380X1380 12 28 3650 48 89x25
STL-10.6-140-200-70 200 140X140 16 28 171 70 89x25
STL-10.6-175-250-65 250 175X175 20 28 324 65 89x25
STL-10.6-300-430-65 430 300X300 20 28 450 65 89x25
STL-10.6-300-430-70 430 300X300 20 28 442 70 89x25
STL-10.6-320-448-68 448 320X320 20 28 450 68 89x25
STL-10.6-350-480-70 480 350X350 20 28 540 70 89x25
STL-10.6-365-573-62 573 365X365 20 25 677 62 89x25
STL-10.6-400-573-70 573 400X400 20 28 650 70 89x25
STL-10.6-450-620-70 620 450X450 20 28 540 70 89x25
STL-10.6-500-720-75 720 500X500 20 28 830 75 89x25
STL-10.6-540-742-88 742 540X540 20 28 800 88 89x25
STL-10.6-600-830-75 830 600X600 20 28 856 75 89x25
STL-10.6-700-1100-75 1100 700X700 25 25 1006 75 89x25

双镜片场镜

STU2系列双镜片场镜

双镜片和三镜片场镜的光学性能比单镜片场镜要好很多,适合于要求好的光学性能的场合。

产品型号 扫描面积 (mm) 焦距 (mm) 焦斑 (um) 工作距 (mm) 工作距 (带窗口mm) 最大Fq X轴(%) 最大Fq Y轴(%)
STU2-10.6-50-75 50x50 75.0 118 60.27 62.03 -2.4 -2.4
STU2-10.6-70-100 70x70 100.0 139 87.57 89.34 -1.5 -1.4
STU2-10.6-105-151 105x105 151.4 171 149.06 150.84 0.9 0.9
STU2-10.6-140-200 140x140 200.0 225 213.94 215.73 1 1
STU2-10.6-175-250 175x175 250.0 282 261.36 263.17 1.3 1.3
STU2-10.6-210-300 210x210 300.0 338 312.06 313.87 1.5 1.5

STL系列双镜片场镜

产品型号 FL mm SAR mm EP mm SA ±° FSD um WD mm OD*L mm MT mm
STL-10.6-70-100 100 70X70 14 28 116-165 105.6 Φ89x42 M85x1
STL-10.6-105-150 150 105X105 14 28 171.3-172 161.7 Φ89x42 M85x1
STL-10.6-140-200 200 140x140 14 28 188-199 229.4 Φ89x42 M85x1
STL-10.6-175-250 250 175x175 14 28 250-255 286 Φ89x42 M85x1
STL-10.6-210-300 300 210x210 20 28 250-270 327.8 Φ89x42 M85x1
STL-10.6-250-360 360 250X250 14 28 370-389 393 Φ89x42 M85x1
STL-10.6-300-420 420 300x300 16 20 408-427 466 Φ89x42 M85x1
STL-10.6-350-490 490 350x350 18 28 410-434 535 Φ89x42 M85x1
STL-10.6-400-560 560 400x400 30 25 375-385 604.8 Φ89x42 M85x1
STL-10.6-500-700 700 500x500 30 27.8 230-260 763.7 Φ89x42 M85x1
STL-9.4-50-100 100 50X50 20 20 84-88 131.3 Φ89x42 M85x1
STL-9.4-70-100 100 70x70 14 28 116-165 105.6 Φ89x42 M85x1
STL-9.4-140-200 200 140x140 15 28 163-167 219 Φ89x42 M85x1
STL-9.4-170-300 300 170x170 20 23 265-275 326 Φ89x42 M85x1

三镜片场镜

SL3系列三镜片场镜

产品型号 波长 (um) FL (mm) WD (mm) SA o SAR (mm&sup2;) EP (mm) A1 (mm) A2 (mm) 焦斑 (um) MT 长度 (mm)
SL3-9.4-50-80W 9.4 80 89.4 ±25 50X50 14 18 18 84.5 M85X1 39.2
SL3-9.4-60-105Z 9.4 105 60.1 ±25 60X60 14 18 21 88.5 M85X1 86
SL3-10.6-50-80W 10.6 80 89.4 ±25 50X50 14 18 18 84.5 M85X1 39.2
SL3-10.6-60-105Z 10.6 105 60.1 ±25 60X60 14 18 21 88.5 M85X1 86

STU3系列三镜片场镜

三镜片场镜

  • 焦距75mm场镜是远心场镜,远心度<  5°,在整个扫描区域达光学衍射极限性能

  • 无聚焦-角度误差

产品型号 波长(um) FL(mm) SAR(mm) EP(mm) 焦斑(mm)
STU3-10.6-50-75 10.6 75 50x50 15 89
STU3-10.6-70-100 10.6 100 70x70 15 113

STSL, STU2和STU3的焦斑比较,STU2和STU3的外形图

STG系列CO2远心场镜

产品型号 FL (mm) SA max (±°) SAR (mm) EP (mm) FSD (um) 长度 (mm) WD (mm)
STG-10.6-50-100G 100 20 50*50 25 60 93 106
STG-9.6-50-110Z 110 14.5 50*50 15 140 99 97
STG-9.6-70-140Z 140 20 70*70 15 126 142 124

可以根据客户特定要求定制。

其它波长场镜

STY系列场镜

型号 波长 nm FL mm WD mm SAR mm 扫描角 EP mm 焦斑 ?m OD mm MT
STY-980-70-100 980 100 111.62 Φ100/70×70 ±25? 12 16.33 90 M85×1
STY-780-980-55-100R 780-980 100 104 Φ88/55×55 ±25.2? 12 15 90 M85×1
STY-980-110-160 980 160 181.29 Φ158/110×110 ±28? 12 25.9 90 M85×1
STY-980-100-160 980 160 181.04 Φ141/100×100 ±28? 20 14.62 120 M85×1
STY-980-100-163 980 163 179.61 Φ160/100×100 ±25? 20 15.77 115 M85×1
STY-980-100-165 980 165 181.04 Φ141/100×100 ±28? 20 14.62 120 M85×1
STY-915-940-100-170 915-940 170 191.97 Φ144/100×100 ±25? 30 10.11 140 M102×1
STY-980-100-170 980 170 191.97 Φ144/100×100 ±25? 30 10.11 140 M102×1
STY-980-100-170 980-100 170 191.97 Φ144/100×100 ±25? 30 10.11 140 M102×1
STY-915-940-170-254 915-940 254 271.07 Φ240/170×170 ±25? 14-20 10.11 120 M85×1
STY-915-940-175-254 915-940 254 286.08 Φ247/175×175 ±25? 30 32.5 140 M102×1
STY-980-156-254 980 254 286.08 Φ220/156×156 ±25? 30 15 140 M102×1
STY-980-261-420 980 420 502.23 Φ369/261×261 ±25.2? 30 25.11 140 M132×1
STY-915-400-510 915 510 565.93 Φ565/400×400 ±31.5? 18 47.5 120 M85×1
STY-1940-190-280 1840 280 346.1 Φ268/190×190 ±27.5? 14 71 120
STY-1940-318-465 1940 465 554.04 Φ446/318×318 ±27.5? 14 117.9 120
STY-1940-380-554 1940 554 655.77 Φ268/380×380 ±27.5? 14 140.49 120

808nm场镜

型号 FL (mm) SA (±°) SL (mm) SAR (mmxmm) EP (mm) AS (mm) 长度 (mm) OD (mm) WD (mm) MT
STS-0101/094 97.53 28.00 75.71 53x53 10 18.00 40.00 90.00 108.90 M85x1
STS-0163/094 158.28 27.60 156.21 108x108 12 20.80 43.30 89.00 176.42 M85x1
STS-2163/094 158.88 26.80 150.05 103x103 20 29.00 66.00 128.00 187.26 M85x1
STS-0202/094 196.85 19.00 130.88 90x90 30 43.00 83.10 132.00 237.41 M85x1
STS-3254/094 248.66 19.20 168.83 115x115 30 47.93 75.50 130.00 290.03 M85x1
STS-0300/094 294.17 25.00 258.39 175x175 20 35.00 78.00 128.00 346.21 M85x1
STS-0400/094 397.87 21.40 303.07 213x213 20 33.00 53.00 118.00 486.87 M85x1
STS-0420/094 410.93 25.20 374.59 250x250 30 54.64 52.00 136.00 468.59 M132x1
STS-0555/094 556.24 21.40 426.26 290x290 25 40.00 65.40 130.00 628.87 M85x1
STS-0635/094 636.51 25.60 594.02 415x415 30 58.25 48.50 133.00 709.51 M110x1
STS-0825/094 803.55 28.00 642.68 450x450 30 54.00 58.00 130.00 875.96 M102x1

808nm远心场镜

产品型号 FL (mm) SA (±°) SL (mm) SAR (mm x mm) EP (mm) AS (mm) 长度 (mm) OD (mm) WD (mm) MT
STS-0053/094 56.33 11.00 21.61 14x14 10.00 17.50 55.15 90.00 69.12 M85x1
STS-0075/094 76.78 9.80 26.40 19x19 10.00 32.60 45.00 70.00 103.63 TK60
STS-0080/094 79.55 21.20 58.15 39x39 25.00 27.70 83.40 107.00 79.53 M85x1
STS-5100/094 105.63 26.80 96.39 68x68 12.00 35.00 85.50 126.00 135.25 M85x1

980nm场镜

产品型号 FL (mm) SA (±°) SL (mm) SAR (mm*mm) EP (mm) AS (mm) 长度 (mm) OD (mm) WD (mm) MT
STS-0101/094 99.46 28.00 75.71 53x53 10.00 18.00 40.00 90.00 111.17 M85x1
STS-0163/094 161.38 27.60 156.21 108x108 12.00 20.80 43.30 89.00 179.88 M85x1
STS-2163/094 162.00 26.80 150.05 103x103 20.00 29.00 66.00 128.00 191.26 M85x1
STS-0202/094 200.40 19.00 130.88 90x90 30.00 43.00 83.10 132.00 241.65 M85x1
STS-3254/094 253.12 19.20 168.83 115x115 30.00 47.93 75.50 130.00 295.61 M85x1
STS-0300/094 298.52 25.00 258.39 175x175 20.00 35.00 78.00 128.00 351.32 M85x1
STS-0400/094 400.16 21.40 303.07 213x213 20.00 33.00 53.00 118.00 489.16 M85x1
STS-0420/094 419.58 25.20 374.59 250x250 30.00 54.64 52.00 136.00 478.65 M132x1
STS-0555/094 565.20 21.40 426.26 290x290 25.00 40.00 65.40 130.00 638.85 M85x1
STS-0635/094 649.59 25.60 594.02 415x415 30.00 58.25 48.50 133.00 724.17 M110x1
STS-0825/094 812.18 28.00 642.68 450x450 30.00 54.00 58.00 130.00 885.11 M102x1

980nm远心场镜

型号 FL (mm) SA (±°) SL (mm) SAR (mm x mm) EP (mm) AS (mm) 长度 (mm) OD (mm) WD (mm) MT
STS-0053/094 57.39 11.00 21.61 14x14 10 17.50 55.15 90.00 70.56 M85x1
STS-0075/094 78.18 9.80 26.40 19x19 10 32.60 45.00 70.00 105.56 TK60
STS-0080/094 80.96 21.20 58.15 39x39 25 27.70 83.40 107 81.30 M85x1
STS-5100/094 107.19 26.80 96.39 68x68 12 35.00 85.50 126 137.17 M85x1

633nm场镜

产品型号 FL (mm) SA (±°) SL (mm) SAR (mm*mm) EP (mm) AS (mm) 长度 (mm) OD (mm) WD (mm) MT
STS-0155/123 154.63 11.00 59.28 40x40 15.00 40.00 50.00 70.00 192.00
STS-0075/123 74.79 10.40 27.00 19X19 10.00 31.00 45.00 70.00 100.30
STS-1088/093 87.48 15.80 48.22 34X34 7.00 34.00 55.00 98.00 116.61 TK87
STS-0093/123 89.02 17.00 51.96 36X36 16.00 34.00 62.05 83.00 113.37
STS-1100/123 100.59 12.00 42.16 30X30 10.00 53.30 92.00 155.00 221.34 TK145
STS-1114/093 156.06 20.00 108.80 77X77 10.00 53.30 92.00 155.00 223.27 TK145
STS-0200/123 203.55 15.00 105.79 75X75 20.00 116.50 93.95 142.00 235.97 TK133

670nm场镜

产品型号 FL (mm) SA (±°) SL (mm) SAR (mm*mm) EP (mm) AS (mm) 长度 (mm) OD (mm) WD (mm) MT
STS-1088/093 87.96 15.80 48.50 34X34 7.00 34.40 55.00 98.00 116.27 TK87
STS-1114/093 157.32 20.00 109.65 77X77 10.00 53.30 92.00 155.00 223.00 TK145
STS-040/093 157.47 19.60 107.73 76X76 5.00 53.40 90.00 155.00 225.22 TK145

消色差场镜

1544nm–1560nm

型号 FL (mm) @1544nm EP (mm) SAR (mm*mm) AS (mm) WD (mm) @1544nm WD (mm) @1560nm OD (mm) 长度 (mm) MT
STS-7010/008 100 10 35 x 35 32 113.2 113.2 94 98.8 M85x1

1000nm–1100nm

型号 FL(mm) @1544nm EP (mm) SAR (mm*mm) AS (mm) WD(mm) @1544nm WD(mm) @1560nm OD (mm) 长度 (mm) MT
STS-7010/450 100.2 10 35 x 35 32 115 115 94 98.8 M85x1

515nm–589nm

型号 FL(mm) @1544nm EP (mm) SAR (mm*mm) AS (mm) WD (mm) @1544nm WD (mm) @1560nm OD (mm) 长度 (mm) MT
STS-7012/292 100 10 35 x 35 36.1 101.9 101.9 94 98.8 M85x1

405nm场镜

型号 波长 (nm) FL (mm) 材料 EP (mm) SAR (mm*mm) AS (mm) WD (mm) OD (mm) 长度(mm) MT
STS-0314/173 405 315.1 玻璃 10 200 x 200 36.2 372 116 49 M92x1
STS-0375/173 405 375.3 玻璃 10 300 x 300 35.5 447.9 116 47.9 M92x1
STS-0580/173 405 593.8 石英 10 326 x 326 39 686.1 89 38 M85x1
STS-1208/173 405 1794 玻璃 20 1100 x 1100 47.5 1929.7 96 31.8 M85x1
STS-1208/173 405 1794 玻璃 30 800 x 800 47.5 1929.7 96 31.8 M85x1
STS-1210/173 405 1202.7 玻璃 20 748 x 748 48.5 1353.7 152 96.9 M85x1
STS-3160/173 405 176 石英 6 110 x 110 21.1 220.9 89 36.8 M85x1
STS-3260/173 405 263.9 石英 10 164 x 164 26 331.3 105 61 M85x1

405nm远心场镜

型号 波长 (nm) FL (mm) 材料 EP (mm) SAR (mm x mm) AS (mm) WD (mm) OD (mm) 长度 (mm) MT
STS-3170/173 405 166.3 石英 10 90 x 90 26 226.3 127 103.7 M85x1
STS-4110/173 405 111.4 石英 6 63 x 63 33.1 157.6 121 86 M85x1
STS-4175/173 405 107.1 玻璃 10 60 x 60 60.7 191.6 119 143 M85x1
STS-8050/173 405 55.1 玻璃 6 30 x 30 16.2 67.3 90 52 M85x1

用于准分子激光248nm掩膜成像的场镜

产品型号 FL (mm) SA (±°) 倍数 SAR (mm*mm) EP (mm) 长度 (mm) OD (mm) WD (mm) MT
STS-4200/198 221.10 14.00 0.33 200X200 10X10 38.6 88 303.60 M85x1

193nm场镜

产品型号 FL (mm) SA (±°) SL (mm) SAR (mm x mm) EP (mm) AS (mm) 长度 (mm) OD (mm) WD (mm) MT
STS-4056/198 56 18.8 25X25 7 15 34 87 M85X1 Yes 71.36
STS-4057/198 66.24 19.2 30X30 7 15 34 87 M85X1 Yes 83.78

STJ系列场镜

STJ系列场镜可用于中功率和大功率应用的激光材料加工,如各类材料的高精度微构建、打标和贴标。

STJ系列场镜特别适用于千瓦范围内的中功率和大功率应用的微加工。您可以在紫外线至可见光和红外线的激光波长下使用标准物镜:您将获得波长为1080至266纳米的物镜。

STJ系列场镜极为耐用,使您能够进行高精度激光材料加工。您可将其用于各类材料的微构建、打标和贴标。物镜配有防护玻璃。作为一项特别服务,我们可以为您提供我们的STEP文件,您可以凭该文件将STJ系列场镜快速而轻松地集成至任何系统。

每个物镜都经过标准化的应用测试程序。这使得我们能够在批量生产中实现高度一致的光学性能。物镜易于改变且生命周期稳定性得以增加,您将因此而受益。

除了这些标准设计以外,我们还可采用从光束成形至激光光束的扩展和分割的元件,为您开发完整的系统。

优势

  • 非常耐用:得益于特殊的低污染安装技术,在认证的洁净室中避免了粘合剂和润滑剂及组装

  • 高精度:适用于各类材料的微构建、打标和贴标。

  • 灵活:快速而轻松地集成至现有系统

  • 自定义:提供标准版或根据个人需求特别定制版产品

  • 高效:通过对光学组件的热-机械应力的有限元分析,节省资金

  • 连续稳定性:全面的测试保证了现场的可替代性

应用领域

  • 微电子学:例如,玻璃微结构

  • 半导体工业:例如,微加工

  • 汽车工业:例如,切割和构建复合材料

  • 医疗:例如,在治疗应用中除去纱布

  • 一般应用:例如,玻璃加工,电池焊接

STJ系列场镜

波长 (nm) 型号 焦距 mm 打标面积mm 圆形/方形 扫描角度 θmax 入射光斑 直径mm 弥散光斑 直径?m 远心度 工作距离 mm 螺纹 接头
1030-1080 nm STJ-02426 100 Φ93/65x65 54? 10 19 8.7 87 M85×1
STJ-00326 125 Φ80/57×57 37? 15 16 4.9 155 M85×1
125 Φ93/65x65 43? 15 16 7.2 155 M85×1
STJ-601926 125 Φ80/57×57 37? 15 16 4.9 155 M85×1
STJ-01926 160 Φ170/120×120 60? 10 31 17.1 178 M85×1
STJ-601914 160 Φ170/120×120 60? 10 31 17.1 178 M85×1
STJ-01826 170 Φ170/120×120 57? 14 24 11.6 194 M85×1
STJ-01726 255 Φ239/169×169 53? 20 24 14.3 291 M85×1
STJ-601948 255 Φ239/169×169 53? 20 24 14.3 291 M85×1
STJ-02226 347 Φ354/250×250 58? 16 46 18.7 404 M85×1
STJ-00926 350 Φ452/320×320 71? 15 45 23.7 395 M85x1
STJ-02126 420 Φ420/297×297 57? 15 55 18.7 501 M85×1
532nm STJ-20926 100 Φ90/64×64 53? 10 10 7.7 95 M85×1
STJ-20226 102 Φ75/53×53 43? 15 7 4.1 133 M85×1
STJ-20326 108 Φ75/53×53 40? 15 7 4.9 132 M85×1
108 Φ86/60×60 46? 15 7 7.1 132 M85×1
STJ-624103 115 Φ71/50x50 36? 14 8 3.5 146 M85×1
STJ-20626 170 Φ160/113×113 54? 14 12 10.9 195 M85×1
STJ-20526 255 Φ233/165×165 52? 20 12 14.2 294 M85×1
STJ-20826 330 Φ347/245×245 58? 16 23 18.4 384 M85×1
STJ-20726 420 Φ420/297×297 57? 15 27 19.3 485 M85×1
355nm STJ-40126 53 Φ24/17×17 24? 10 3.5 0.4 65 M85×1

STJS系列场镜

固体石英场镜吸收小,是大功率和短脉冲应用的理想之选。

STJS系列场镜专为大功率和短脉冲激光器的应用而设计。它们是能为极高能量激光器提供最低限度地吸收的固体石英场镜。STJS系列场镜系列中的F-theta物镜的应用范围为1030至1080nm,900至1100nm和515至540nm。

场镜是衍射受限的,并提供较高的图像质量。这种衍射限透镜具有高损伤阈值,并且在整个扫描区内聚焦非常一致。STJS系列场镜能应对高达四千瓦的光束输出功率,而无需主动冷却。它们确保极高能量的激光器实现最小的焦移率。我们提供标准版F-theta物镜,亦可根据您的具体要求特别定制。

适用波长范围为355纳米的新款STJS系列场镜170-355-140。它的最大远心角仅为4.9度,在整个100x100毫米工作区域的斑点尺寸分布均匀。该大型加工区域与衍射极限的图像质量相结合,其生产量高于市场上可用的标准透镜。我们通过采用一项新的专利安装技术的高品质光学元件,来确保所需的精度水平。

每个物镜都经过标准化的应用测试程序。这确保了批量生产中的高度一致的光学性能。

JENar? F-Theta场镜

优势

  • 非常耐用:得益于特殊的低污染安装技术,在认证的洁净室中避免了粘合剂和润滑剂及组装

  • 高精度

  • 高效:能应对高达四千瓦的光束输出功率,而无需主动冷却

  • 自定义:提供标准版或根据个人需求特别定制版产品

  • 连续稳定性:全面的测试保证了现场的可替代性

应用领域

  • 汽车工业:例如,工业部件生产

  • 医疗技术:例如,用于在眼科中聚焦和重定向激光光束的物镜

  • 太阳能电池的生产:例如,用于切边和构建P1,P2,P3的光学产品

  • 半导体制造:例如,半导体芯片打标

  • 一般应用:例如,玻璃加工,电池焊接

波长 (nm) 型号 焦距 mm 打标面积mm圆形/方形 扫描角度θmax 入射光斑 直径mm 弥散光斑直径?m 远心度 工作距离 mm 螺纹 接头
1030-1080nm STJS-02526 160 Φ110/78x78 40? 14 22 5.2 184 M85×1
STJS-02626 255 Φ161/114×114 36? 20 25 7.2. 303 M85×1
900-1100nm STJS-601787 160 Φ110/78x78 40? 14 19 5.2 182 M85×1
STJS-601804 255 Φ161/114×114 36? 20 21 7.2 302 M85×1
355nm STJS-40226 103 Φ71/50×50 40? 9 8 2.4 135 M85×1
STJS-40626 255 Φ240/170×170 54? 10 17 12.7 314 M85×1
STJS-40526 510 Φ431/328×328 51? 14 24 18.2 609 M85×1
STJS-586840 170 Φ140/100×100 50? 10 11 4.8 236 M85×1
266nm STJS-60126 103 Φ71/50×50 40? 9 6 2.9 133 M85×1
分享: