OSSL系列光学扫描振镜是为光学应用开发的具有高性能旋转电机。它包括基于运动电磁技术的电机和高精度的位置检测器,主要应用领域是激光束偏转镜片的快速精准定位。
基于多年开发和制造工业界扫描振镜、扫描系统和扫描方案的经验,我们研发出OSSL这款独特动态性能的振镜。OSSL电机部分与镜片负载完美配合,具有完美的动态响应特性。轴向预置高精度轴承保证无反向间隙,高强度且低摩擦,使用寿命长!
振镜除了高精度光学位置检测系统具有高重复性和低漂移特性外,还配备加热器和温度传感器,让振镜即使在异常波动环境中也能保持良好的温度特性,保证了长期工作状态下的稳定性。
我们提供的振镜都配备了针对于各种典型波长的镜片,而且为了取得好的反射特性,所有反射镜片的转动惯量、硬度和平面度都进行了优化。这款高品质振镜长期连续使用没有误差累计,因为其内在集成的综合性测量装置确保系统质量得到持续保持。
安装
振镜旋转对称法兰结构,便于安装。安装时振镜外壳必须与机器结构实现电气上隔离。镜片的限位机构已经集成在振镜上,只需直接将镜片安装在振镜的轴端即可使用。
OSSL系列振镜性能指标
型号 | OSSL-XS | OSSL-T | OSSL-S | OSSL-M | OSSL-L |
转子惯量 | 0.028g·cm | 0.125g·cm2 | 0.34g·cm2 | 1.2g·cm2 | 5.1g·cm2 |
转矩常量 | 2.3N·mm/A | 5.3N·mm/A | 7.5N·mm/A | 15 N·mm/A | 24 N·mm/A |
线圈阻抗 | 3.9 Ω | 2.8 Ω | 2.7 Ω | 2.2 Ω | 0.85 Ω |
线圈感抗 | 90μH | 145 μH | 165 μH | 275 μH | 300 μH |
最大有效电流 | 1.8 A | 2.2 A | 2.5 A | 3.5 A | 5 A |
峰值电流 | 6 A | 10 A | 10 A | 10 A | 15 A |
带电缆重量 | 49 g | 72 g | 263 g | 340 g | 425 g |
无电缆重量 | 23 g | 46 g | - | - | - |
接头 | SD-9 socket | SD-9 socket | SD-15 socket | SD-15 socket | SD-15 socket |
建议负载惯量 | 0.02 g·cm2 | 0.1 g·cm2 | 0.35 g·cm2 | 1.2 g·cm2 | 8 g·cm2 |
最大负载惯量 | 0.05 g·cm2 | 0.5 g·cm2 | 1.5 g·cm2 | 6 g·cm2 | 25 g·cm2 |
建议光学孔径 | 7mm | 8.5mm | 10mm | 14mm | 20-30mm |
小步长阶跃响应时间 | 0.23 ms | 0.24 ms | 0.25 ms | 0.40 ms | 0.8 ms |
跟随误差 | 0.11 ms | 0.12 ms | 0.14 ms | 0.24 ms | 0.35 ms |
建议驱动板 | microSSV | microSSV | miniSSVmicroAIOSSV30 | miniSSVSSV30 | SSV30 |
OSSL系列振镜通用性能指标(所有角度以机械角度计)
光学性能 | 最大扫描角度 | ±12 ° |
非线性 | < 0.4 % ptp | |
偏置漂移 | < 15 μrad/K | |
增益漂移 | < 50 ppm/K | |
重复精度 | 5 μrad | |
位置检测器 | 差模 | –11 μA/° |
共模 | –140 μA | |
位置检查器电压 | 6.5 V - 11.5 V | |
位置检查器电流 | 35 mA - 60 mA | |
加热器 | 加热器阻抗 | 120 Ω |
温度传感器阻抗 | 1000Ω@ 25°C,578Ω@40°C | |
电缆 | 长0.22 m | |
安装要求 | 电气绝缘隔离 | |
操作温度 | 25 ± 20 °C | |
电气连接 | 电源电压 | ±(15+1.5) V DC |
输入信号 | 可选: ±4.8 V; ±9.6 V;±4.8 mA; ±9.6 mA | |
输出信号 | 3 态TTL 电平信号 | |
8小时长期工作漂移 | 启动后有温度稳定 | < 0.6 mrad 光学角度 |
启动后无温度稳定 | < 0.3mrad 光学和温度产生的增益和偏置漂移 | |
操作温度 | 25 ±10 °C |
Cambridge Technology拥有近50年的专业经验,能够设计、开发和制造创新型激光光束扫描方案,包括基于多边形转镜和基于振镜电机的光学扫描部件、2轴和3轴扫描头、扫描子系统、大功率扫描头,以及控制硬件和软件。我们尤其擅长于和主要的设备制造商合作,以设计出满足其应用需求的产品,从最大型的工程方案至最小的部件。主要市场应用包括:先进工业加工工艺,比如增材制造、激光模切、激光打标和PCB钻孔,以及各种医疗应用,比如激光治疗和光学相干断层成像技术。
备受用户欢迎的62xxH系列闭环扫描振镜电机一直是业内领先的高性能激光光束扫描解决方案。每个电机均采用动磁式激励技术,并配有Cambridge Technology独有的位置探测器。这种专利技术使电机在同类型产品中达到最快的扫描速度同时保持高精度。不论您注重的是速度、精度或是封装,62xxH系列产品都会带来最佳的性能和价值。
性能优异、可靠性强,实现高价值应用:
业内最快的电机速度实现最大产能及最佳稳定性
高精度输出可满足各种应用的扫描需求
强大可靠的设计保证长时间稳定性及使用寿命
紧凑的封装方式易于在小空间内进行集成
选择范围广泛的镜片尺寸(3-50mm)及镀膜类型
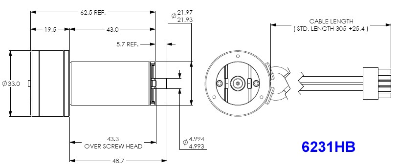
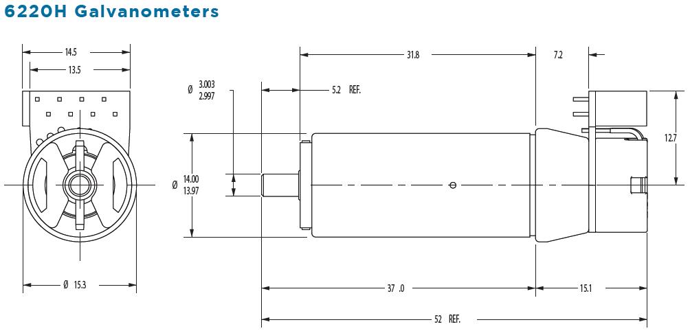
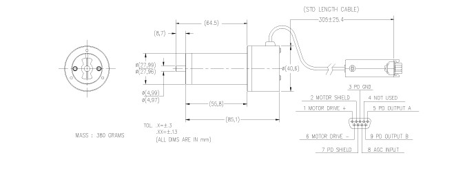
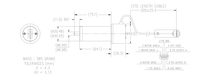
产品规格 | 6200H | 6210H | 6215H | 6220H | 6230H | 6231H | 6240H | 6250H | 6260H |
入射光直径 (mm) | 3-7 | 3 - 7 | 3 - 7 | 5 - 10 | 8 - 15 | 8 - 15 | 12 - 25 | 25 - 75 | 30 - 100 |
激光波长选项 | 355/532/1030-1080nm/9.4-10.6μm,宽带镀膜:350nm–12μm | ||||||||
最大扫描角度(°) | 40° | 40° | 40° | ||||||
转动惯量(gm·cm2, ±10%) | 0.013 | 0.018 | 0.028 | 0.125 | 0.97 | 0.82 | 2.4 | 15.6 | 47.5 |
扭矩常数(dyne·cm /amp, ±10%) | 12000 | 27900 | 37800 | 61700 | 131000 | 111000 | 200000 | 708000 | 8.5x105 |
最高转子温度 (°C) | 110° | 110° | 110° | 110° | 110° | 110° | 110° | 110° | 110° |
热阻 (转子至机箱)(°C/W,最大) | 3.8 | 2.0 | 1.0 | 1.0 | 0.8 | 1.0 | 0.62 | 0.35 | 0.2 |
线圈电阻 (Ω,±10%) | 2.14 | 3.7 | 2.5 | 2.79 | 1.07 | 1.27 | 1.03 | 1.69 | 0.60 |
线圈电感 (μH, ±10%) | 52 | 109 | 94 | 180 | 173 | 176 | 350 | 1030 | 530 |
反 EMF 电压 (μV/°/sec, ±10%) | 20.9 | 48.7 | 66 | 108 | 229 | 195 | 346 | 1220 | 1480 |
最大RMS 电流(A、电机外壳50°) | 2.3 | 2.4 | 4.1 | 3.9 | 7.1 | 5.8 | 8.2 | 7.1 | 12 |
峰值电流(A,最大) | 6 | 8 | 20 | 20 | 25 | 25 | 25 | 20 | 40 |
小角度阶跃响应 | 3mmY 镜片 | 3mmY 镜片 | 3mmY 镜片 | 5mmY 镜片 | 10mm Y 镜片 | 10mm Y 镜片 | 15mm Y 镜片 | 50mmY 镜片 | 50mmY 镜片 |
130μs | 100μs | 130μs | 200μs | 250μs | 250μs | 350μs | 3.0ms | 2.1ms | |
重量(克) | 13.3 | 18 | 25.8 | 42.5 | 267 | 142 | 356 | 590 | 1200 |
线性度 | 超过 20°时最小为 99.9%;超过 40°时通常为 99.5% |
比例漂移 | 50 ppm/°C(最大) |
零点漂移 | 15 μrad/°C(最大) |
重复精度(短期) | 8 μrad |
输出信号(常规模式) | 最小 155 μA、AGC 电流为 30 mA |
输出信号(差分模式) | 12 μA/°C (±2.5%)、常规模式的电流为 155 μA |
输出信号(常规模式与差分模式之比) | 12.5 (±2.5%) |
83xxK系列电机基于62xxH系列的速度及可靠性,同时具有更高的分辨率和热稳定性,适用于高要求及高精度的应用。各机型均采用一流的动磁式激励技术与进一步改进了的Cambridge Technology独有的增强型位置探测器。83xxK系列产品漂移小、噪音低,适用于微加工类的高精度需求及稳定性要求高的大幅面加工应用。
可达到最高级别的扫描精度、速度及稳定性:
业内速度最快的电机,更好的分辨率及稳定性
一流的精度保证高质量的加工效果
强大可靠的设计保证长时间稳定性及使用寿命
紧凑的封装方式易于在小空间内集成
选择范围广泛的镜片(3-50mm)和镀膜类型
产品型号 | 8300K | 8310K | 8315K | 8320K | 8330K | 8331K | 8340K | 8350K | 8360K |
入射光直径 (mm) | 3 - 7 | 3 - 7 | 3 - 7 | 5 - 10 | 8 - 15 | 8 - 15 | 12 - 25 | 25 - 75 | 30-100 |
激光波长 | 355/532nm /1030 - 1080 nm / 9.4 - 10.6 μm ;宽带镀膜: 350 nm – 12 μm | ||||||||
最大扫描角度(°) | 40° | 40° | 40° | 40° | 40° | 40° | 40° | 40° | 40° |
转动惯量 (gm·cm2, ±10%) | 0.013 | 0.018 | 0.028 | 0.125 | 0.97 | 0.82 | 2.4 | 15.6 | 47.5 |
扭矩常数(dyne·cm /amp, ±10%) | 12000 | 27900 | 37800 | 61700 | 131000 | 111000 | 200000 | 708000 | 850000 |
最高转子温度 (°C) | 110° | 110° | 110° | 110° | 110° | 110° | 110° | 110° | 110° |
热阻 (转子至机箱,°C/W ,最大) | 3.8 | 2.0 | 1.0 | 1.0 | 0.8 | 1.0 | 0.62 | 0.35 | 0.2 |
线圈电阻 (Ω,±10%) | 2.14 | 3.7 | 2.5 | 2.79 | 1.07 | 1.27 | 1.03 | 1.69 | 0.60 |
线圈电感 (μH, ±10%) | 52 | 109 | 94 | 180 | 173 | 176 | 350 | 1030 | 530 |
反EMF电压 (μV/°/sec, ±10%) | 20.9 | 48.7 | 66 | 108 | 229 | 195 | 346 | 1220 | 1480 |
最大RMS电流(A、外壳温度50°) | 2.3 | 2.4 | 4.1 | 3.9 | 7.1 | 5.8 | 8.2 | 7.1 | 12 |
峰值电流 (A、最大) | 6 | 8 | 20 | 20 | 25 | 25 | 25 | 20 | 40 |
小角度阶跃响应 | 3 mmY镜片 | 3 mmY镜片 | 3mmY镜片 | 5mmY镜片 | 10mmY镜片 | 10mmY镜片 | 15mmY镜片 | 50mmY镜片 | 50mmY镜片 |
130μs | 100μs | 130μs | 200μs | 250μs | 250μs | 350μs | 3.0ms | 2.1ms | |
重量(克、常规) | 13.3 | 18 | 25.8 | 42.5 | 267 | 142 | 356 | 590 | 1200 |
位置探测器技术参数:
线性度 | 超过 20°时最小为 99.9%,超过 40°通常为 99.5% |
比例漂移 | 15 ppm/°C(最大) |
零点漂移 | 5 μrad/°C(最大) |
重复精度(短期) | 8 μrad |
输出信号(常规模式) | 最小 283 μA、AGC 电流为 60 mA |
输出信号(差分模式) | 22.6 μA/° (±2.5%)、常规模式的电流为 283 μA |
输出信号(常规模式与差分模式之比) | 12.5 (±2.5%) |
型号 | 6450 |
机械参数 | |
入射光束直径 | 12mm |
最大扫描角度(光学角) | 40 |
转动惯量 | 2.3gm*cm2, +/ - 10% |
转矩系数 | 45000dyne-cm/amp, +/ - 10% |
最大线圈温度 | 150?C |
最大线圈对壳体热阻抗 | 5?C/Watt, Max |
电气参数 | |
线圈阻抗 | 4Ohms, +/- 10% |
线圈电感 | 450?H, +/- 10% |
反向电动势 | 800mV/度/秒, +/- 10% |
RMS电流 | 1.8A, Max |
峰值电流 | 6A, Max |
小步长阶跃响应时间 | 2.0ms |
位置探测器参数 | |
线性度 | 99.9Min |
比例漂移 | 50PPM/?C, Max |
最大零点漂移 | 15?rad/? C, Max |
重复精度 | 2mrad |
输出信号(普通模式) | 970?A |
输出信号(微分模式) | 21.5?A/? |
驱动卡 | 67045 |
型号 | 6870 | 6880 | |
机械参数 | |||
入射光束直径 | 12, 15 | 20, 30 | mm |
最大扫描角度(光学角) | 40 | 40 | ? |
转动惯量 | 2.0 | 6.4 | gm*cm2, +/ - 10% |
转矩系数 | 1.8X105 | 2.54x105 | dyne-cm/amp, +/ - 10% |
最大线圈温度 | 110 | 110 | ?C |
最大线圈对壳体热阻抗 | 1.0 | 0.75 | ?C/Watt, Max |
电气参数 | |||
线圈阻抗 | 1.4 | 1.0 | Ohms, +/- 10% |
线圈电感 | 275 | 280 | ?H, +/- 10% |
反向电动势 | 0.3 | 0.44 | mV/度/秒, +/- 10% |
峰值电流 | 25 | 25 | A, Max |
小步长阶跃响应时间 | 0.7 | 0.9 | ms |
位置探测器参数 | |||
线性度 | 99.99 | 99.9 | Min |
比例漂移 | 50 | 50 | PPM/?C, Max |
最大零点漂移 | 15 | 10 | ?rad/? C, Max |
重复精度 | 8 | 8 | mrad |
输出信号(普通模式) | 585 | 970 | ?A |
输出信号(微分模式) | 14.5 | 22 | ?A/? |
振镜驱动卡分为两类:模拟驱动卡和数字驱动卡。模拟卡有670、671、672、673和677系列,数字卡有DC900、DC2000和DC3000系列。
模拟卡
我们的 PID 伺服驱动器性能优异、功能齐全,可提供紧凑型、双轴型和大功率型配置方案。兼顾精度和驱动功率,我们的驱动器解决方案适用于各种要求高速、高重复精度、高线性度和高稳定性的高端应用。集尺寸、性能和灵活性于一身的模拟驱动器,是客户集成扫描系统的理想选择,驱动功率强大、尺寸紧凑,为您创造卓越的性能值。
专为稳定和高带宽控制而设计,可确保产能最大化;
产品尺寸紧凑,可在复杂系统中灵活、方便的集成;
内嵌保护电路,可在评估和操作工程中保证高可靠性;
包含振镜位置、误差和速度信号输出引脚;
配合 Cambridge Technology 扫描振镜产品可达到全面优化的性能
产品规格 | 671 系列 | 672 系列 | 673 系列 |
轴数 | 单轴 | 单轴 | 双轴 |
输出级 | 差分 | 单端 | 差分 |
模拟输入阻抗 | 200K+/-1%欧姆(差分)100K+/-1%欧姆(单端 ) | 200K+/-1%欧姆(差分)100K+/-1%欧姆(单端) | 200K+/-1%欧姆(差分)100K+/-1%欧姆(单端) |
模拟输出阻抗 | 1K+/-1%欧姆(用于所有其它的观测输出引脚) | 1K+/-1%欧姆(用于所有其它的观测输出引脚) | 2K+/-1%欧姆(用于“位置输出”和“电流监控”的观测引脚)4.75K+/-1%欧姆(用于所有其他的观测引脚) |
位置输入比例系数 | 0.5V/deg. (2deg./V),可使用其它配置 | 0.5V/deg. (40° 系统),0.67V/deg. (30° 系统) | 0.5V/deg. (2deg./V),可使用其它配置 |
位置输入电压范围 | +/-10V(最大) | +/-10V(最大) | +/-10V(最大) |
位置偏差范围 | 输入范围的 +/-5%(常规) | 输入范围的 +/-5%(常规) | 输入范围的 +/-5%(常规) |
数字位置输入范围 | 216 dac 计数 | 不适用 | 不适用 |
16 位数字输入的非线性误差 | 全比例的 0.006%(最大) | 不适用 | 不适用 |
位置输出比例系数 | 0.5V/deg. | 0.5V/deg. | 0.5V/deg. |
误差输出比例系数 | 0.5V/deg. | 0.5V/deg. | 不适用 |
速度输出比例系数 | 模拟输出(以位置微分器的增益为比例) | 模拟输出(以位置微分器的增益为比例) | 模拟输出(以位置微分器的增益为比例) |
故障输出 | 开路集电极:输出阻抗为 1K 欧姆(下拉至 -15V),下沉容量为 10mA | TTL 输出的上拉供电电压可达 +5V,电阻为 100k。高电平 = 2.5V、低电平 = 0V | CMOS 输出、串联为 4.75k 欧姆高电平 = 11.5V、低电平 = .05V |
电子设备的温度稳定性 | 20 ppm / °C | 20 ppm / °C | 20 ppm / °C |
电源要求 | +/-15至+/-28VDC配置 | +/-15至+/-28VDC配置 | +/-15至+/-28VDC配置 |
最大驱动电流限值 | 10 A(峰值)15 A (rms)(取决于电源和负载) | 10 A(峰值)5 A (rms)(取决于电源和负载) | 10 A(峰值)5 A (rms)(取决于电源和负载) |
操作温度范围 | 0 - 50°C | 0 - 50°C | 0 - 50°C |
尺寸(板件和散热器支架;近似值,cm) | 10.16 cm x 6.68 cm x 2.69 cm | 5.40 cm x 6.03 cm x 2.69 cm | 10.03 cm x 7.75 cm x 3.07 cm |
数字卡
我们的数字伺服驱动器具有自动校准、状态空间控制,以及命令输入优化功能,适用于要求达到最高速度和精度的扫描应用。该数字驱动器采用专利型技术,即借助板载处理器,在每次开机时都会对扫描组件重新配置,将系统的性能、灵活性和易用性发挥到极致。结构紧凑的 DC 型伺服驱动具有灵活的电源配置、完整的安装硬件和小型的连接器,更易于集成。
滤波仿真算法,可现运动控制的最优化;
自调试和启动校正功能,可降低系统制造成本;
便捷化的工作范围服务,降低运营减少维护时间和增加系统正常运行时间
伺服驱动尺寸紧凑、封装灵活,易于集成到复杂系统中;
配置 Cambridge Technology 扫描产品,可达到最优的扫描性能
产品规格 | DC900 型 | DC2000 型 | DC3000 Plus 型(小噪音) |
轴数 | 单轴 | 双轴 | 双轴 |
命令输入 | 模拟(±5V 差分、±10V 单端) XY2-100 高速数字系列 | XY2-100 高速数字系列 | XY2-100 高速数字系列 |
模拟输入阻抗 | 400K+/-1%欧姆(差分)200K+/-1%欧姆(单端) | — | — |
模拟输出阻抗 | 1K+/-1%欧姆(用于所有观测输出引脚) | OPA2227 无端接输出,<1Ω | OPA2227 无端接输出,<1Ω |
位置输入比例系数 | 0.50V/deg.(40°系统)0.67V/deg.(30°系统)1.00V/deg.(20°系统) | — | — |
模拟位置 输入范围 | +/-10V | — | — |
位置输出比例系数 | 0.50V/deg. | 0.333V/deg.(非差分) | 0.333V/deg.(非差分) |
电源要求 | +/-15至+/-32VDC 配置 | +/-15至+/-32VDC 配置 | +/-15至+/-28VDC 配置 |
最大驱动电流限值 | 8A(峰值),5A(RMS)(基于电源和负载) | 10A(峰值),2.5A(RMS)(基于电源和负载) | 20(峰值),5(RMS)(基于电源和负载) |
静态功率 | 15W | 16W | 11.5W |
颤振 (RMS) | 8 μrad | 7 μrad | 4 μrad |
操作温度范围 | 0 - 50°C | 0 - 50°C | 0 - 50°C |
尺寸 | 5.14 x10.48 x4.45 cm | 10.50 x7.50 x6.44 cm | 10.50 x7.50 x6.44 cm |
振镜系统是一种由驱动板与高速摆动电机组成的一个高精度、高速度伺服控制系统,主要用于激光打标、激光内雕、舞台灯光控制等。
该系统的工作原理是:输入一个位置信号,摆动电机(振镜)就会按一定电压与角度的转换比例摆动一定角度。整个过程采用闭环反馈控制,由位置传感器、误差放大器、功率放大器、位置区分器、电流积分器等五大控制电路共同作用。
本公司生产的OSST系列振镜系统,由于运用最新一代集成电路,驱动电路板采取多种抗干扰手段,系统不仅抗干扰能力强、可靠性高、线性度好、重复精度高、响应时间短,而且体积小,便于安装运输。
型号 | OSST8162 | OSST8161 | OSST8063 |
带载镜片 | ≤8mm光斑 | ≤10mm光斑 | ≤12mm光斑 |
小步长阶跃响应时间 | 5mm光斑镜片时0.2ms | 10mm光斑镜片时0.3ms | 12mm光斑镜片时0.6ms |
最大扫描机械角 | ±20°-30 ° | ±20° | ±20° |
线性度 | 99.9%,范围±20° | 99.9%,范围±20° | 99.9%,范围±20° |
平均工作电流 | 0.9A | 0.9A | 1.5A |
峰值电流 | 5A | 5A | 10A |
线圈电阻 | 3Ω±10%供参考 | 1.8Ω±10%供参考 | 2Ω±10%供参考 |
线圈电感 | 180μH ±10%供参考 | 280μH ±10%供参考 | 260μH ±10%供参考 |
工作温度 | 0℃-40℃ | 0℃-40℃ | 0℃-40℃ |
定制工作温度(可选) | -40—﹢85 | -40—﹢85 | -40—﹢85 |
振镜重量 | 80g | 105g | 180g |
转子惯量 | 0.125g·cm2 | 0.34g·cm2 | 1.2g·cm2 |
转矩常量 | 5.1N·mm/A | 7.3N·mm/A | 12 N·mm/A |
最大有效电流 | 2.1A | 2.5 5A | 3.52A |
带电缆重量 | 72g | 263 g | 340g |
接头 | C3030F-2*4 | C3030F-2*4 | C3030F-2*4 |
负载惯量 | 0.1 g·cm2—0.54 g·cm2 | 0.3 g·cm2—1.52 g·cm2 | 1.0 g·cm2—6 g·cm2 |
跟随误差 | 0.11 ms | 0.142ms | 0.22 ms |
振镜外形尺寸 | D15x31+D15.4x11mm | D22X36+D31x8.6+D21x9mm | D22x36+D31x8.6+D21x9mm |
安装镜片厚度 | 2.1mm | 2.1mm | 2.1mm |
用途 | 舞台灯光、激光动画 | 超高速飞行打标,超高速在线飞速打标 | 金属、非金属精密激光打标、激光快速成型、激光调阻和激光雷达等 |
型号 | OSST8166 | OSST8168 | OSST8061 |
带载镜片 | 1-6mm光斑 | 1-10mm 光斑 | 20-25mm光斑 |
小步长阶跃响应时间 | 5mm光斑镜片时0.3ms | 5mm 光斑镜片时 0.3ms | 20mm光斑镜片时0.7ms |
最大扫描机械角 | ±20° | ±20° | ±20° |
线性度 | 99.9%,范围 ±20° | 99.9%,范围±20° | 99.9%,范围 ±20° |
平均工作电流 | 0.6A | 0.6A | 2A |
峰值电流 | 1.5A | 1.5A | 6A |
线圈电阻 | 2.3Ω±10%供参考 | 2.3Ω±10%供参考 | 2.1Ω±10%供参考 |
线圈电感 | 420μH ±10%供参考 | 420μH ±10%共参考 | 360μH ±10%供参考 |
工作温度 | 0℃-40℃ | 0℃-40℃ | 0℃-40℃ |
定制工作温度(可选) | -40—﹢85 | -40—﹢85 | -40—﹢85 |
振镜重量 | 26g | 26g | 210g |
转子惯量 | 0.028g·cm | 2.25N·mm/A | 5.1g·cm2 |
转矩常量 | 2.25N·mm/A | 2.25N·mm/A | 22N·mm/A |
最大有效电流 | 1.8A | 1.8A | 5A |
带电缆重量 | 49 g | 425 g | |
接头 | C3030F-2*4 | PHD2*4 | C3030F-2*4 |
负载惯量 | 0.02 g·cm2—0.05 g·cm2 | 0.02 g·cm2—0.05 g·cm2 | 8 g·cm2—24 g·cm2 |
跟随误差 | 0.11 ms | 0.15 ms | 0.35 ms |
振镜外形尺寸 | D10x16+D13x3+D15x10.5mm | D15X8+D14x15 | D28x58+D36x15+D25x5mm |
安装镜片厚度 | 1.0mm | 1.mm | 3.0mm |
用途 | 高速在线飞行打标、高速高精密静态打标等 | 高速在线飞行打标、高速高精密静态打标等 | 精密激光打标、激光快速成型、激光调阻和激光雷达等 |
型号 | OSST3808 | OSST3860 |
带载镜片 | 25-50mm光斑 | 30-60mm光斑 |
小步长阶跃响应时间 | 25mm光斑镜片时1.2ms | 30mm光斑镜片时1.3ms |
最大扫描机械角 | ±20° | ±20° |
线性度 | 99.9%,范围±20° | 99.9%,范围±20° |
平均工作电流 | 2.2A | 3.2A |
峰值电流 | 7.6A | 9.6A |
线圈电阻 | 2Ω±10%供参考 | 2Ω±10%供参考 |
线圈电感 | 260μH ±10%供参考 | 260μH ±10%供参考 |
工作温度 | 0℃-40℃ | 0℃-40℃ |
定制工作温度(可选) | -40—﹢85 | -40—﹢85 |
振镜重量 | 520g | 520g |
转子惯量 | 6.25g·cm2 | 8.2g·cm2 |
转矩常量 | 28N·mm/A | 31·mm/A |
最大有效电流 | 6.3 A | 12A |
带电缆重量 | 520G | 520G |
接头 | C3030F-2*4 | C3030F-2*4 |
负载惯量 | 12g·cm2—24 g·cm2 | 12g·cm2—35 g·cm2 |
跟随误差 | 0.28 ms | 0.35 ms |
振镜外形尺寸 | D38X76+D36x5+D25x5mm | D38x76+D35x5+D25x5mm |
安装镜片厚度 | 输出轴直径7mm | 7mm |
用途 | 精密激光打标、激光快速成型、激光调阻和激光雷达等 | 精密激光打标、激光快速成型、激光调阻和激光雷达等 |
型号 | OSST1520-20 | OSST1520-15 |
带载镜片 | ?10mm光斑 | ?10mm光斑 |
小步长阶跃响应时间 | 10mm光斑镜片时0.3ms | 10mm光斑镜片时0.3ms |
最大扫描机械角 | ±20° | ±20° |
线性度 | 99.9%,范围±20° | 99.9%,范围±20° |
平均工作电流 | 0.9A | 0.9A |
峰值电流 | 5A | 5A |
线圈电阻 | 1.8Ω±10%供参考 | 1.8Ω±10%供参考 |
线圈电感 | 280μH ±10%供参考 | 280μH ±10%供参考 |
工作温度 | 0℃-40℃ | 0℃-40℃ |
定制工作温度(可选) | -40—﹢85 | -40—﹢85 |
振镜重量 | 105g | 105g |
转子惯量 | 0.34g·cm2 | 0.34g·cm2 |
转矩常量 | 7.5N·mm/A | 7.5N·mm/A |
最大有效电流 | 2.5 A | 2.5 A |
带电缆重量 | 263 g | 263 g |
接头 | PHD2*4 | PHD2*4 |
负载惯量 | 0.35 g·cm2—1.5 g·cm2 | 0.35 g·cm2—1.5 g·cm2 |
跟随误差 | 0.15 ms | 0.15 ms |
振镜外形尺寸 | D20X28+D15x6mm/37mm | D15X26+D15x8mm/37mm |
安装镜片厚度 | 2.0mm | 2.0mm |
用途 | 超高速飞行打标,超高速在线飞速打标 | 超高速飞行打标,超高速在线飞速打标 |
扫描镜为很轻的镀膜全反镜,在入射角±25度时依然保持高达99.7%或以上的反射特性,因此可以承受200W或以上的激光功率。镜片尺寸和形状经过科学的设计和大量的使用,表明质量可靠,特别适合激光二维扫描系统中,如激光打标和舞台灯光系统。
型号命名规则:SMxxxx-xxA-LxWxT-Dx-BB
SM:激光扫描镜
xxxx:激光波长:1064nm, 532nm或10.6um
xx:入射光最大直径(mm)
A:X镜或Y镜
LxWxT:镜片尺寸,长x宽x厚度,单位mm
Dx:已安装镜夹的扫描镜,x为镜夹的孔直径,单位mm
BB:小系列编号,如SJ系列、WT系列等。
例子:SM1064-12X-21x16.8x2-D5-SJ,SJ系列1064nm波长已安装X扫描镜,镜夹孔直径5mm,镜片尺寸21x16.8x2mm,镀高反介质膜。
入射光最大直径 | 扫描镜型号 | 尺寸(LxWxT,mm) | 备注 |
8 | SM10.6-8X-18x13x1.5-SJ | 18x13x1.5 | 硅片镀金 |
8 | SM10.6-8Y-23.2x16x1.5-SJ | 23.2x16x1.5 | 硅片镀金 |
8 | SM10.6-8X-18x13x1.9-SJ | 18x13x1.9 | 硅片镀金 |
8 | SM10.6-8Y-23.2x16x1.9-SJ | 23.2x16x1.9 | 硅片镀金 |
10 | SM10.6-10X-18x14.5x2-SJ | 18x14.5x2 | 硅片镀金 |
10 | SM10.6-10Y-24x16x2-SJ | 24x16x2 | 硅片镀金 |
10 | SM10.6-10X-20.3x13.7x1.5-WT | 20.3x13.7x1.5 | 硅片镀金 |
10 | SM10.6-10Y-24.4x17.8x1.5-WT | 24.4x17.8x1.5 | 硅片镀金 |
10 | SM10.6-10X-18x14x2-LK | 18x14x2 | 硅片镀金 |
10 | SM10.6-10Y-24x16x2-LK | 24x16x2 | 硅片镀金 |
12 | SM10.6-12X-21x16.8x2-SJ | 21x16.8x2 | 硅片镀金 |
12 | SM10.6-12Y-30x19x2-SJ | 30x19x2 | 硅片镀金 |
12 | SM10.6-12X-21x16x2-WT | 21x16x2 | 硅片镀金 |
12 | SM10.6-12Y-32x19x2-WT | 32x19x2 | 硅片镀金 |
12 | SM10.6-12X-20x16x2-LK | 20x16x2 | 硅片镀金 |
12 | SM10.6-12Y-30x19x2-LK | 30x19x2 | 硅片镀金 |
15 | SM10.6-15X-27x19x2-SJ | 27x19x2 | 硅片镀金 |
15 | SM10.6-15Y-37x22x2-SJ | 37x22x2 | 硅片镀金 |
16 | SM10.6-16X-28x20x2-SJ | 28x20x2 | 硅片镀金 |
16 | SM10.6-16Y-39x23x2-SJ | 39x23x2 | 硅片镀金 |
16 | SM10.6-16X-27x21-2.5-LK | 27x21-2.5 | 硅片镀金 |
16 | SM10.6-16Y-38x24x2.5-LK | 38x24x2.5 | 硅片镀金 |
20 | SM10.6-20X-37x24x2-SJ | 37x24x2 | 硅片镀金 |
20 | SM10.6-20Y-49x31x2-SJ | 49x31x2 | 硅片镀金 |
25 | SM10.6-25X-46x30x3-SJ | 46x30x3 | 硅片镀金 |
25 | SM10.6-25Y-56.4x39x3-SJ | 56.4x39x3 | 硅片镀金 |
入射光最大直径 | 扫描镜型号 | 尺寸(LxWxT,mm) |
7 | SM1064-7X-12X10X1-SJ | 12X10X1 |
7 | SM1064-7Y-17X10X1-SJ | 17X10X1 |
8 | SM1064-8X-18x13x1.5-SJ | 18x13x1.5 |
8 | SM1064-8Y-22x15x1.5-SJ | 23.2x16x1.5 |
8 | SM1064-8X-18x13x1.9-SJ | 18x13x1.9 |
8 | SM1064-8Y-22x15x1.9-SJ | 23.2x16x1.9 |
10 | SM1064-10X-20x15x2-SJ | 20x15x2 |
10 | SM1064-10Y-27.5x17x2-SJ | 27.5x17x2 |
10 | SM1064-10X-20.3x13.7x1.5-WT | 20.3x13.7x1.5 |
10 | SM1064-10Y-24.4x17.8x1.5-WT | 24.4x17.8x1.5 |
10 | SM1064-10X-18x14x2-LK | 18x14x2 |
10 | SM1064-10Y-24x16x2-LK | 24x16x2 |
12 | SM1064-12X-21x16.8x2-S | 21x16.8x2 |
12 | SM1064-12Y-30x19x2-SJ | 30x19x2 |
12 | SM1064-12X-21x16x2-WT | 21x16x2 |
12 | SM1064-12Y-32x19x2-WT | 32x19x2 |
12 | SM1064-12X-20x16x2-LK | 20x16x2 |
12 | SM1064-12Y-30x19x2-LK | 30x19x2 |
15 | SM1064-15X-27x19x2-SJ | 27x19x2 |
15 | SM1064-15Y-37x22x2-SJ | 37x22x2 |
16 | SM1064-16X-28x20x2-SJ | 28x20x2 |
16 | SM1064-16Y-39x23x2-SJ | 39x23x2 |
16 | SM1064-16X-27x21-2.5-LK | 27x21-2.5 |
16 | SM1064-16Y-38x24x2.5-LK | 38x24x2.5 |
20 | SM1064-20X-37x24x2-SJ | 37x24x2 |
20 | SM1064-20Y-49x31x2-SJ | 49x31x2 |
25 | SM1064-25X-46x30x3-SJ | 46x30x3 |
25 | SM1064-25Y-56.4x39x3-SJ | 56.4x39x3 |
备注:光学玻璃,镀高反介质模,1064nm反射率大于99.5%,同时633nm反射率大于80%。
入射光最大直径 | 扫描镜型号 | 尺寸(LxWxT,mm) |
12 | SM532-12X-21x16.8x2-SJ | 21x16.8x2 |
12 | SM532-12Y-30x19x2-SJ | 30x19x2 |
12 | SM532-12X-21x16x2-WT | 21x16x2 |
12 | SM532-12Y-32x19x2-WT | 32x19x2 |
15 | SM532-15X-27x19x2-SJ | 27x19x2 |
15 | SM532-15Y-37x22x2-SJ | 37x22x2 |
16 | SM532-16X-28x20x2-SJ | 28x20x2 |
16 | SM532-16Y-39x23x2-SJ | 39x23x2 |
20 | SM532-20X-37x24x2-SJ | 37x24x2 |
20 | SM532-20Y-49x31x2-SJ | 49x31x2 |
25 | SM532-25X-46x30x3-SJ | 46x30x3 |
25 | SM532-25Y-56.4x39x3-SJ | 56.4x39x3 |
备注:光学玻璃,镀高反介质模,532nm反射率大于99.5%。
入射光最大直径 | 扫描镜型号 | 尺寸(LxWxT,mm) |
10 | SMV-10X-20.3x13.7x1.5-WT | 20.3x13.7x1.5 |
10 | SMV-10Y-24.4x17.8x1.5-WT | 24.4x17.8x1.5 |
12 | SMV-12X-21x16x2-WT | 21x16x2 |
12 | SMV-12Y-32x19x2-WT | 32x19x2 |
备注:光学玻璃,镀保护银膜